搜索
热门搜索: 美国中克塞尔美国世铨美国特迪亚美国传力德国HBM梅特勒托利多
产品中心

    CMM1-50K小型压缩称重传感器 日本NMB(Minebea美蓓亚)

    产品介绍
     
    一、日本NMB(Minebea美蓓亚) CMM1-50K称重传感器相关介绍
     
    产品品牌:日本NMB(Minebea美蓓亚)
    产品系列:CMM1
    产品类型:小型压缩称重传感器
    产品经销:香港金元宝免费资料
    产品特点:
      ※  可选量程:50K,100K,200K,500K,1T,2T
      ※  弹性体材质:不锈钢
      ※  防护等级:IP67
      ※  重量:约0.34kg
     
    二、日本NMB(Minebea美蓓亚) CMM1-50K称重传感器可选量程

     
    CMM1-50K
    CMM1-100K
    CMM1-200K
    CMM1-500K
    CMM1-1T
    CMM1-2T

     
    三、日本NMB(Minebea美蓓亚) CMM1称重传感器实拍图

     
    日本NMB(Minebea美蓓亚) CMM1称重传感器实拍图

    日本NMB(Minebea美蓓亚) CMM1称重传感器实拍图

    日本NMB(Minebea美蓓亚) CMM1称重传感器实拍图

    日本NMB(Minebea美蓓亚) CMM1称重传感器实拍图
     

     
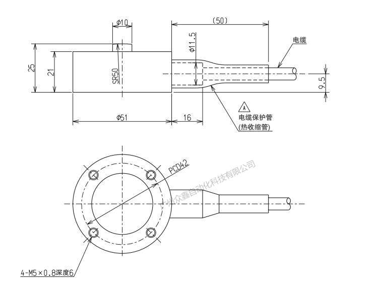
    四、日本NMB(Minebea美蓓亚) CMM1-50K称重传感器产品尺寸


    日本NMB(Minebea美蓓亚) CMM1-50K称重传感器产品尺寸

     
    五、日本NMB(Minebea美蓓亚) CMM1-50K称重传感器技术参数


    日本NMB(Minebea美蓓亚) CMM1-50K称重传感器技术参数



    ★ 德国HBM:称重传感器-- Z6F,C16A,RTN,HLCB1, PW2D, PW6D,PW2C,PW6K,PW6C,PW10A,PW12C,PW16A,PW22,S40A,C2等系列
    ★ 德国HBM:数字传感器-- C16I,FIT5AEB3,FIT7A
    ★ 德国HBM:扭矩/力传感器 -- T40B,T22,T5,U9C,C9C,S9M,U2B,S2M等系列
    ★ 德国HBM:称重仪表/变送器 -- WE2111,RM4220, BM40,AE101, AE301,EM201等系列
     
    ★ 美国世铨celtron:传感器 -- STC,HBB,LPS,LOC,PSD,LCD,MBB,SQB等系列
    ★ 特迪亚Tedea-huntleigh: --3410,616,355,1015,1040,1022,1260,120,1241,240等系列
    ★ 美国传力Transcell :传感器-- BSS,BSH,DBSL,SBST,CR,SBS,BAB等系列
     
    ★ 梅特勒托利多:称重传感器-- TSC,TSB,MTB,GD,SLB415,SLB215,MT1022,MT1260,MT1241,SB,SBS,SBH等系列
    ★ METTLER TOLEDO:数字传感器—GDD,SLC720,0760,PDX,SLC820等系列
    ★ 梅特勒托利多:控制仪表 -- IND331,IND245,IND320L,IND230,IND560,B520,IND110,WM0800,AJB等系列
     

    产品推荐

    联系我们
    联系方式

    销售热线:

    陈小姐:18520271262

      陈小姐:18688494254

    黄先生:18688492451

      黄先生:18520471262

    上班时间:

    周一到周六9:00-18:00

    二维码
    扫一扫联系我们