搜索
热门搜索: 美国中克塞尔美国世铨美国特迪亚美国传力德国HBM梅特勒托利多
产品中心

    【FCAL传感器】FCAL-50kg~FCAL-300kg_意大利laumas称重传感器

    产品介绍
                                                                                                                                                                           
    【香港金元宝免费资料】专业供应【FCAL传感器】FCAL-50kg~FCAL-300kg_意大利laumas称重传感器意大利laumas系列保证货期快捷,100%原装进口,为多种工业领域提高完整的自动化称重解决方案。意大利laumas称重传感器相关型号:FCAL-50kg,FCAL-75kg,FCAL-150kg,FCAL-300kg,意大利laumas是本公司的重点优势产品之一,拥有绝对优势价格,现货、原装、正品、可靠!保证满意价格质量!我们郑重承诺:“三个月内不满意随时无条件退换货,退还全部货款,不收任何费用”。质保两年,随时免费维修!
     

     产品特点:

    波纹管称重传感器
    安装方便,简单
    防护等级:IP68
    量程可选:50, 75, 150, 300kg
    可选防爆型ATEX II 1G II 2 D (zona 0-1-2-20-21-22)
    通过OIML R60 C3认证
    量程可选:30, 50, 75, 150, 300Kg
    适用于皮带秤,料斗秤,筒仓秤等称重设备
     
     
     
    FCAL称重传感器技术参数:


    香港金元宝免费资料

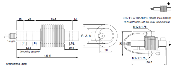
    FCAL称重传感器产品尺寸图:

    香港金元宝免费资料

     
     

    以上是【FCAL传感器】FCAL-50kg~FCAL-300kg_意大利laumas称重传感器详细信息,如果您对【FCAL传感器】FCAL-50kg~FCAL-300kg_意大利laumas称重传感器的价格、货期、型号、库存有什么疑问,欢迎拨打18520271262陈工获取【FCAL传感器】FCAL-50kg~FCAL-300kg_意大利laumas称重传感器的最新价格详情。

    产品推荐

    联系我们
    联系方式

    销售热线:

    陈小姐:18520271262

      陈小姐:18688494254

    黄先生:18688492451

      黄先生:18520471262

    上班时间:

    周一到周六9:00-18:00

    二维码
    扫一扫联系我们