【香港金元宝免费资料】专业供应【C2S传感器】C2S-100kg~C2S-20t_
意大利AEP称重传感器,
意大利AEP系列保证货期快捷,100%原装进口,为多种工业领域提高完整的自动化称重解决方案。意大利 AEP称重传感器相关型号:C2S-100kg,C2S-250kg,C2S-500kg,C2S-1t,C2S-2.5t,C2S-5t,C2S-7.5t,C2S-10t,C2S-20t,C2S-30t,C2S-50t,C2S-75t,C2S-100t。意大利 AEP是
本公司的重点优势产品之一,拥有绝对优势价格,现货、原装、正品、可靠!保证满意价格质量!我们郑重承诺:“三个月内不满意随时无条件退换货,退还全部货款,不收任何费用”。质保两年,随时免费维修!
产品特点:
防护等级IP68
高精度,高稳定性
自带模拟量输出:可选4-20mA、0… 5V、0… 10V
ATEX认证(区域1和21)
结构简单,便于安装
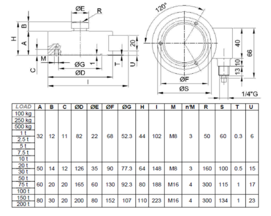
量程可选:100Kg,250Kg,500Kg,1T,2.5T,5T,7.5T,10T,20T,30T,50T,75T,100T,150T,200T
技术参数:

产品尺寸:
拓展阅读
称重模块
安装说明
机械安装
必要时可以使用垫片调节以使力均匀地作用到每只传感器上。
称重模块的顶板和底板必须调整成一直线,以保持作用到传感器上的力方向垂直。
在称重模块附近焊接操作时一定要注意接地,否则焊接电流会通过传感器使之损坏。
基础要求水平且刚性较好,各基础之间要求水平度差异小。
安装时一定要拧紧称重模块的支撑螺栓。
称重模块一定要安装在方便维护的地方。
连线
所有连线应使用屏蔽绝缘电缆。
电磁干扰会影响传感器的输出信号,使称量产生误差。
隔离电源线和传感器电缆。
接线盒应注意保护,以防潮湿及腐蚀性物质侵蚀。
电缆可以加上套管以防机械损伤或潮湿、腐蚀性物质侵蚀。
不要任意改变传感器电缆长度,因为这会改变传感器的输出阻抗。
接线盒和称重仪表之间的连接电缆建议选用推荐的长度和尺寸,否则容易造成信号丢失。
标定前准备工作
在罐体上安装支架,以便悬挂砝码。每个支架之间的间隔应该相等。
在标定前应测试每只传感器的输出信号以确定作用力是否均匀分配到每只传感器上。
如果需要,可以用垫片调节模块的水平或调节接线盒的电位器使每只传感器的输出保持一致。
以上是【C2S传感器】C2S-100kg~C2S-20t_意大利AEP称重传感器详细信息,如果您对【C2S传感器】C2S-100kg~C2S-20t_意大利AEP称重传感器的价格、货期、型号、库存有什么疑问,欢迎拨打
18520271262陈工获取【C2S传感器】C2S-100kg~C2S-20t_意大利AEP
称重传感器的最新价格详情