搜索
热门搜索: 美国中克塞尔美国世铨美国特迪亚美国传力德国HBM梅特勒托利多
产品中心

    1010-10kg称重传感器 美国特迪亚Vishay Tedea品牌

    产品介绍

    一、美国特迪亚 1010-10kg称重传感器产品介绍

     
    产品品牌:美国特迪亚 Vishay Tedea
     
    产品系列:1010
     
    产品类型:单点式称重传感器
     
    产品经销商:香港金元宝免费资料
     
    产品介绍:
     
    (1)1010型是一种单点称重传感器,设计用于直接安装低成本、低容量的称重平台。
    (2)它在大型平台上的使用,加上其高精度和低成本,使这款称重传感器非常适合各种称重应用,包括台秤和计数秤。
    (3)特殊的防潮保护涂层可确保长期可靠性。型号1010的内置过载保护装置可以防止过载。
    (4)两条额外的传感线反馈到达称重传感器的电压。由于温度变化和/或电缆延伸引起的导线电阻变化的完全补偿可通过将该电压馈入适当的电子设备来实现。
     
    产品特点:
     
    (1)容量3-90公斤
    (2)铝制结构
    (3)单点400 x 400毫米平台
    (4)NTEP批准(不适用于3公斤和90公斤)
    (5)IP65防护等级
    (6)可提供公制和UNC螺纹
    (7)可选版本:① 获得FM认证的版本 ;② IP67的版本
     
    产品应用:
     
    (1)台秤
    (2)计数秤
    (3)杂货秤
     
     
    二、美国特迪亚 1010-10kg称重传感器相关型号

     
    1010-3kg
    1010-5kg
    1010-7kg
    1010-10kg
    1010-15kg
    1010-20kg
    1010-30kg
    1010-50kg
    1010-90kg

     
     
    三、美国特迪亚 1010称重传感器实拍图

     

    美国特迪亚 1010称重传感器实拍图1

    美国特迪亚 1010称重传感器实拍图2

    美国特迪亚 1010称重传感器实拍图3

    美国特迪亚 1010称重传感器实拍图4

    美国特迪亚 1010称重传感器实拍图5




     
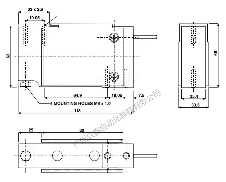
    四、美国特迪亚 1010-10kg称重传感器产品尺寸

     
    美国特迪亚 1010-10kg称重传感器产品尺寸


     
    五、美国特迪亚 1010-10kg称重传感器技术参数

    美国特迪亚 1010-10kg称重传感器产品技术参数


    香港金元宝免费资料重点推出以下品牌产品,确保全新原装正品,价优,欢迎新老客户咨询!
     
     
    ★ 德国HBM:称重传感器-- Z6F,C16A,RTN,HLCB1, PW2D, PW6D,PW2C,PW6K,PW6C,PW10A,PW12C,PW16A,PW22,S40A,C2等系列
    ★ 德国HBM:数字传感器-- C16I,FIT5AEB3,FIT7A
    ★ 德国HBM:扭矩/力传感器 -- T40B,T22,T5,U9C,C9C,S9M,U2B,S2M等系列
    ★ 德国HBM:称重仪表/变送器 -- WE2111,RM4220, BM40,AE101, AE301,EM201等系列
     
    ★ 美国世铨celtron:传感器 -- STC,HBB,LPS,LOC,PSD,LCD,MBB,SQB等系列
    ★ 特迪亚Tedea-huntleigh: --3410,616,355,1015,1040,1022,1260,120,1241,240等系列
    ★ 美国传力Transcell :传感器-- BSS,BSH,DBSL,SBST,CR,SBS,BAB等系列
     
    ★ 梅特勒托利多:称重传感器-- TSC,TSB,MTB,GD,SLB415,SLB215,MT1022,MT1260,MT1241,SB,SBS,SBH等系列
    ★ METTLER TOLEDO:数字传感器—GDD,SLC720,0760,PDX,SLC820等系列
    ★ 梅特勒托利多:控制仪表 -- IND331,IND245,IND320L,IND230,IND560,B520,IND110,WM0800,AJB等系列
     

    产品推荐

    联系我们
    联系方式

    销售热线:

    陈小姐:18520271262

      陈小姐:18688494254

    黄先生:18688492451

      黄先生:18520471262

    上班时间:

    周一到周六9:00-18:00

    二维码
    扫一扫联系我们