搜索
热门搜索: 美国中克塞尔美国世铨美国特迪亚美国传力德国HBM梅特勒托利多
产品中心

    【世感M16传感器】M16-500kg~M16-100t_法国Scaime称重传感器

    产品介绍
                                                                                                                                                              

    【香港金元宝免费资料】专业供应 M16-500kg~ M16-100t法国Scaime称重传感器,【世感M16传感器】M16-500kg~M16-100t_法国Scaime称重传感器保证货期快捷,100%原装正品,努力打造中国传感器销售第一品牌商。法国Scaime M16-500kg~ M16-100t称重传感器是本公司的重点优势产品之一,拥有绝对优势价格,现货、原装、正品、可靠!保证满意价格质量!我们郑重承诺:三个月内质量问题随时无条件退换货,退还全部货款,不收任何费用。质保1年,随时维修!
     
    产品简介:
    应用:齿条施工升降机、塔式起重机、启闭机、港机、环链葫芦以及无法安装其他类型传感器的场合
    额定量程(千克) 500-100000
    准确度 _
    灵敏度(mV/V) 1 ± 2%
    材质 不锈钢
    认证 _

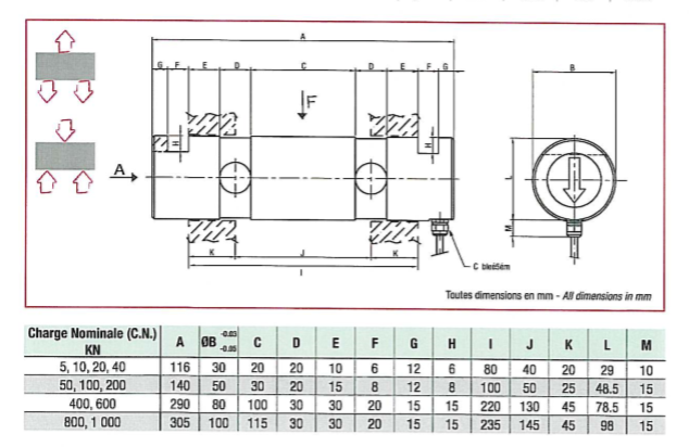
    产品结构尺寸:

    香港金元宝免费资料
    产品技术参数:
    香港金元宝免费资料

    拓展阅读

    称重模块安装说明
     机械安装 
    必要时可以使用垫片调节以使力均匀地作用到每只传感器上。
    称重模块的顶板和底板必须调整成一直线,以保持作用到传感器上的力方向垂直。
    在称重模块附近焊接操作时一定要注意接地,否则焊接电流会通过传感器使之损坏。
    基础要求水平且刚性较好,各基础之间要求水平度差异小。
    安装时一定要拧紧称重模块的支撑螺栓。
    称重模块一定要安装在方便维护的地方。
     连线
    所有连线应使用屏蔽绝缘电缆。
    电磁干扰会影响传感器的输出信号,使称量产生误差。
    隔离电源线和传感器电缆。
    接线盒应注意保护,以防潮湿及腐蚀性物质侵蚀。
    电缆可以加上套管以防机械损伤或潮湿、腐蚀性物质侵蚀。
    不要任意改变传感器电缆长度,因为这会改变传感器的输出阻抗。
    接线盒和称重仪表之间的连接电缆建议选用推荐的长度和尺寸,否则容易造成信号丢失。 
     标定前准备工作 
    在罐体上安装支架,以便悬挂砝码。每个支架之间的间隔应该相等。
    在标定前应测试每只传感器的输出信号以确定作用力是否均匀分配到每只传感器上。 
    如果需要,可以用垫片调节模块的水平或调节接线盒的电位器使每只传感器的输出保持一致。

    以上是【世感M16传感器】M16-500kg~M16-100t_法国Scaime称重传感器详细信息,如果您对【世感M16传感器】M16-500kg~M16-100t_法国Scaime称重传感器的价格、货期、型号、库存有什么疑问,欢迎拨打18520271262陈工 获取【世感M16传感器】M16-500kg~M16-100t_法国Scaime称重传感器的最新价格详情。
     

    产品推荐

    联系我们
    联系方式

    销售热线:

    陈小姐:18520271262

      陈小姐:18688494254

    黄先生:18688492451

      黄先生:18520471262

    上班时间:

    周一到周六9:00-18:00

    二维码
    扫一扫联系我们