一、法国世感Scaime品牌 AG称重传感器产品介绍
产品品牌:法国世感Scaime
产品类型:称重传感器,单点式称重传感器
产品系列:AG
产品特点:
(1)铝合金材质,IP65防护等级
(2)认证精度可达 6 000d OIML R60和5 000d NTEP
(3)偏载补偿可达400x400mm
(4)专为单点式称重或配料/定量设备设计
二、法国世感Scaime品牌 AG称重传感器相关型号
AG5 C3 SH 10e F TR
AG10 C3 SH 10e F TR
AG15 C3 SH 10e F TR
AG20 C3 SH 10e F TR
AG30 C3 SH 10e F TR
AG50 C3 SH 10e F TR
AG75 C3 SH 10e F TR
AG100 C3 SH 10e F TR
AG18 C6 SH 18e
AG36 C6 SH 18e
AG50 C6 SH 10e
AG75 C6 SH 10e
AG100 C6 SH 10e
进口型号:
AG5 C3 SH 5e U
AG10 C3 SH 5e U
AG15 C3 SH 5e U
AG20 C3 SH 5e U
AG30 C3 SH 5e U
AG50 C3 SH 5e U
AG75 C3 SH 5e U
AG100 C3 SH 5e U
三、法国世感Scaime品牌 AG称重传感器图片






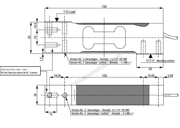
四、法国世感Scaime品牌 AG称重传感器产品尺寸

五、法国世感Scaime品牌 AG称重传感器技术参数

香港金元宝免费资料重点推出以下品牌产品,确保全新原装正品,价优,欢迎新老客户咨询!
★ 德国HBM:称重传感器-- Z6F,C16A,RTN,HLCB1, PW2D, PW6D,PW2C,PW6K,PW6C,PW10A,PW12C,PW16A,PW22,S40A,C2等系列
★ 德国HBM:数字传感器-- C16I,FIT5AEB3,FIT7A
★ 德国HBM:扭矩/力传感器 -- T40B,T22,T5,U9C,C9C,S9M,U2B,S2M等系列
★ 德国HBM:称重仪表/变送器 -- WE2111,RM4220, BM40,AE101, AE301,EM201等系列
★ 美国世铨celtron:传感器 -- STC,HBB,LPS,LOC,PSD,LCD,MBB,SQB等系列
★ 特迪亚Tedea-huntleigh: --3410,616,355,1015,1040,1022,1260,120,1241,240等系列
★ 美国传力Transcell :传感器-- BSS,BSH,DBSL,SBST,CR,SBS,BAB等系列
★ 梅特勒托利多:称重传感器-- TSC,TSB,MTB,GD,SLB415,SLB215,MT1022,MT1260,MT1241,SB,SBS,SBH等系列
★ METTLER TOLEDO:数字传感器—GDD,SLC720,0760,PDX,SLC820等系列
★ 梅特勒托利多:控制仪表 -- IND331,IND245,IND320L,IND230,IND560,B520,IND110,WM0800,AJB等系列