搜索
热门搜索: 美国中克塞尔美国世铨美国特迪亚美国传力德国HBM梅特勒托利多
产品中心

    C16AC3/100T传感器,德国HBM C16AC3/100T 称重传感器

    产品介绍
     
    德国HBM C16AC3/100t称重传感器特别坚固,可在大量程内进行精确称重,精度等级高达C3,防护等级达到IP68,适用在恶劣环境下长期使用,用于公路或铁路车辆地磅或料仓水平测量。可选 IP 69K防护等级和IECEx ATEX 防爆型号。
     
    一、德国HBM C16AC3/100T称重传感器产品介绍

    产品类型:德国HBM称重传感器柱式称重传感器

    产品系列:C16A

    产品特点:

     
    1、精度等级高达C5(相当于OIML III级)
     
    (1)5000 分度值,可用于贸易称重系统
     
    (2)6线配置,用于补偿电阻和电缆长度变化,因此电缆可切割
     
    (3)自动恢复,防旋转销,防止绕y轴旋转
     
    (4)针对并联优化,易于进行偏心负载补偿
     
    2、可在恶劣环境下长期使用, 结实耐用,可选防爆版本
     
    (1)不锈钢称重传感器
     
    (2)不受外界温度变化的影响
     
    (3)IP68/IP69K防护等级,可在潮湿和灰尘环境下长期使用
     
    (4)满足 IEC 45501:2015 EMC 认证标准
     
    (5)由于可选的TPE-0电缆护套,因此非常坚固
     
    (6)内置过电压保护
     
    (7)自恢复称重传感器
     
    3、用途广泛,特别适合打两次,提供证书和多种附件
     
    (1)多种额定量程可选:20吨、30吨、40吨、60吨、100吨、200吨和400吨
     
    (2)电缆长度可长达40米,可选择采用红色信号色编织电缆或TPE-0电缆护套
     
    (3)获得 OIML R60和其他国际认证
     
    (4)可快速地集成到现有系统中
     
    (5)可提供防爆版本(例如:IECEx+ATEX 1/21区)

     
    二、德国HBM C16AC3/100T称重传感器实拍图


    德国HBM C16AC3/100T称重传感器实拍图1

    德国HBM C16AC3/100T称重传感器实拍图2

    德国HBM C16AC3/100T称重传感器实拍图3

    德国HBM C16AC3/100T称重传感器实拍图4


     
    三、德国HBM C16AC3/100T称重传感器相关型号

     
    C16AC3/20t 称重传感器
    C16AC3/30t 称重传感器
    C16AC3/40t 称重传感器
    C16AC3/60t 称重传感器
    C16AC3/100t 称重传感器
     
     
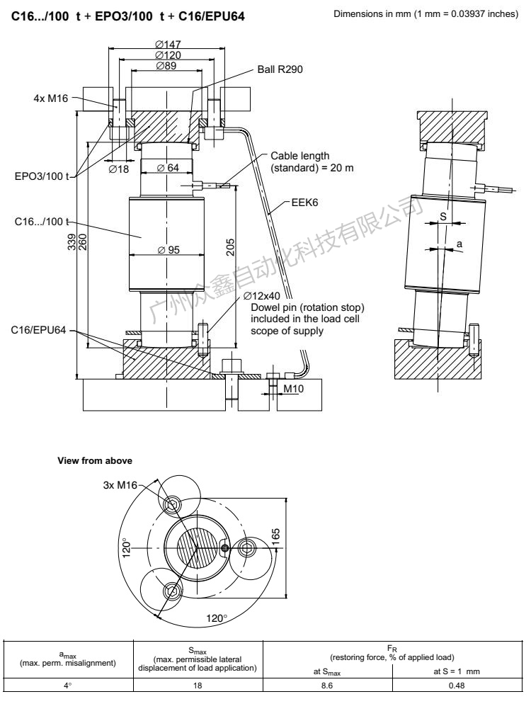
    四、德国HBM C16AC3/100T称重传感器产品尺寸

     
    德国HBM C16AC3/100T称重传感器产品尺寸
     
    五、德国HBM C16AC3/100T称重传感器产品技术参数

    德国HBM C16AC3/100T称重传感器产品技术参数
     
    六、德国HBM C16AC3/100T称重传感器安全说明

     
    1、C16A系列称重传感器设计用于称重应用,用于任何其他用途应视为不符合相关的规定。
     
    2、为确保安全操作,称重传感器只能按照安装说明中的说明使用。在使用过程中,还必须遵守相关应用的法律和安全要求。这同样适用于附件的使用。
     
    3、如果称重传感器发生破损时可能会导致设备损坏或危害人身安全,那么用户必须采取适当的安全措施(如防止坠落、倒塌或过载的安全装置)。为了安全无故障运行,称重传感器不仅必须正确运输、储存、定位和安装,还必须小心操作和维护,避免过载使用。
     
    4、C16AC3/100T称重传感器的最大载荷为100T,使用时要注意瞬间过载发生的可能,瞬间的过载亦可能导致传感器的损坏。

     

     
    香港金元宝免费资料重点推出以下品牌产品,确保全新原装正品,价优,欢迎新老客户咨询!
     
     
    ★ 德国HBM:称重传感器-- Z6F,C16A,RTN,HLCB1, PW2D, PW6D,PW2C,PW6K,PW6C,PW10A,PW12C,PW16A,PW22,S40A,C2等系列
    ★ 德国HBM:数字传感器-- C16I,FIT5AEB3,FIT7A
    ★ 德国HBM:扭矩/力传感器 -- T40B,T22,T5,U9C,C9C,S9M,U2B,S2M等系列
    ★ 德国HBM:称重仪表/变送器 -- WE2111,RM4220, BM40,AE101, AE301,EM201等系列
     
    ★ 美国世铨celtron:传感器 -- STC,HBB,LPS,LOC,PSD,LCD,MBB,SQB等系列
    ★ 特迪亚Tedea-huntleigh: --3410,616,355,1015,1040,1022,1260,120,1241,240等系列
    ★ 美国传力Transcell :传感器-- BSS,BSH,DBSL,SBST,CR,SBS,BAB等系列
     
    ★ 梅特勒托利多:称重传感器-- TSC,TSB,MTB,GD,SLB415,SLB215,MT1022,MT1260,MT1241,SB,SBS,SBH等系列
    ★ METTLER TOLEDO:数字传感器—GDD,SLC720,0760,PDX,SLC820等系列
    ★ 梅特勒托利多:控制仪表 -- IND331,IND245,IND320L,IND230,IND560,B520,IND110,WM0800,AJB等系列

    产品推荐

    联系我们
    联系方式

    销售热线:

    陈小姐:18520271262

      陈小姐:18688494254

    黄先生:18688492451

      黄先生:18520471262

    上班时间:

    周一到周六9:00-18:00

    二维码
    扫一扫联系我们