搜索
热门搜索: 美国中克塞尔美国世铨美国特迪亚美国传力德国HBM梅特勒托利多
产品中心
    当前位置: 首页  > 产品中心  > 称重模块  > 小量程称重模块

    SB-0.3t~SB-25t柯力悬臂梁式动载称重模块

    产品介绍
            香港金元宝免费资料专业供应SB系列柯力悬臂梁式动载称重模块,【SB系列柯力悬臂梁式动载称重模块系列】保证货期快捷,100%原装正品,10年行业经验专注高端高质传感器服务,提供自动化完整解决方案。SB系列柯力悬臂梁式动载称重模块相关型号:SB-0.3t,SB-0.5t,SB-1t,SB-2t,SB-3t,SB-5t,SB-7.5t,SB-8t,SB-10t,SB-15t,SB-20t,SB-25t,SB-A-0.3t,SB-A-0.5t,SB-A-1t,SB-A-2t,SB-A-3t,SB-A-5t,SB-A-7.5t,SB-A-8t,SB-A-10t,SB-A-15t,SB-A-20t,SB-A-25t.

    柯力SB系列动载称重模块产品介绍

    英文名称:SUNCELLS
    品名:柯力称重模块
    产品特性:
    ★.小量程称重模块
    ★.选用优质合金钢材质
    ★.高度低,外形小
    ★.全焊接密封,防护等级高
    ★.模块类型:静载或动载
    ★.输出信号大,阻抗高
    ★.量程可选:0.3t~25t
    ★.电缆线规格:0.3~8t为4线制;10~25t为6线制
    ★.SB系列适用于料斗秤、料仓秤、测力试验机等场合
     
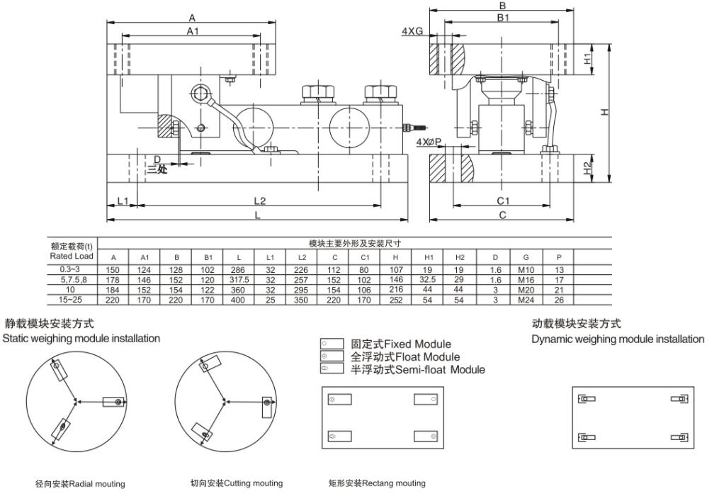
    柯力SB系列动载称重模块安装尺寸

    香港金元宝免费资料
     
    柯力SB系列动载称重模块技术参数

    香港金元宝免费资料
     
    柯力SB系列动载称重模块完整型号

    柯力SB-0.3t动载称重模块,柯力SB-0.5t动载称重模块
    柯力SB-300kg动载称重模块,柯力SB-500kg动载称重模块
    柯力SB-1t动载称重模块,柯力SB-2t动载称重模块
    柯力SB-3t动载称重模块,柯力SB-5t动载称重模块
    柯力SB-7.5t动载称重模块,柯力SB-8t动载称重模块
    柯力SB-10t动载称重模块,柯力SB-15t动载称重模块
    柯力SB-20t动载称重模块,柯力SB-25t动载称重模块
     
    拓展阅读

    品牌介绍
    宁波柯力传感科技股份有限公司,创建于2002年,是目前全球最大钢制传感器生产企业,也是国内称重元件销售量最大企业 ,总部坐落于宁波江北投资创业园区,占地100多亩,现已成为集设计研发、制造、销售于一体的国家级重点高新技术企业。
    宁波柯力传感科技股份有限公司,创建于2002年,是目前全球最大钢制传感器生产企业,也是国内称重元件销售量最大企业 ,总部坐落于宁波江北投资创业园区,占地100多亩,现已成为集设计研发、制造、销售于一体的国家级重点高新技术企业。公司现有安徽柯力电气制造有限公司一家全资子公司,余姚太平洋称重工程有限公司、余姚宏业称重技术有限公司两家控股子公司和沈阳龙腾电子有限公司、余姚市银环流量仪表有限公司两家参股子公司。公司先后获得中国衡器协会副理事长单位、中国《工业计量》协会副理事长单位,2010年度全国轻工业卓越绩效先进企业,浙江省名牌产品,宁波“市级工程技术中心”,中国轻工业衡器行业十强企业第二名,宁波市百家战略性新兴产业企业之一,2011年宁波市江北区三十强企业第一名和工业企业纳税第一名,宁波市江北区区长质量奖等荣誉称号。
     
    称重模块的作用
    不锈钢、普通碳素钢表面镀镍称重模块解决了因安装不当所造成的称量误差以及 对传感器使用寿命的影响,确保了传感器的精度及长期稳定性。
     
            以上SB-0.3t~SB-25t柯力悬臂梁式动载称重模块详细信息,如果您对SB-0.3t~SB-25t柯力悬臂梁式动载称重模块的价格、货期、型号、库存有什么疑问,欢迎拨打18520271262 获取SB-0.3t~SB-25t柯力悬臂梁式动载称重模块最新价格详情。
    产品推荐

    联系我们
    联系方式

    销售热线:

    陈小姐:18520271262

      陈小姐:18688494254

    黄先生:18688492451

      黄先生:18520471262

    上班时间:

    周一到周六9:00-18:00

    二维码
    扫一扫联系我们