搜索
热门搜索: 美国中克塞尔美国世铨美国特迪亚美国传力德国HBM梅特勒托利多
产品中心

    1-C2/10KN传感器,德国HBM C2/10KN 力传感器

    产品介绍

    德国HBM 1-C2/10KN力传感器产品介绍
     
    产品品牌:德国HBM,德国HBM力传感器
    产品特点:测力传感器
    产品类型:动态和静态压向力传感器
    适用情形:C2系列力传感器适用于压力测量,提供极高精度,并可进行静态和动态测量
    产品特点:
    - 防锈蚀材料制成的力传感器
    - 压向力测量
    - 结实,可承受高动态负载
    - 高度低
    - 额定位移 < 0.1mm
    - 关键特性
    - 最大允许力: 150%
    - 额定温度范围: -10°C ... +70°C
    - IP67 (IP68) 保护等级
    - 材料: 不锈钢
    - 力方向: 压向
    - 额定量程: 0.5KN,1KN,2KN,5KN,10KN,20KN,50KN,100KN,200KN
    - 额定灵敏度: 2mV/V
     
     
    德国HBM 1-C2/10KN力传感器实拍图
     
    德国HBM 1-C2/10KN力传感器实拍图1

    德国HBM 1-C2/10KN力传感器实拍图2

    德国HBM 1-C2/10KN力传感器实拍图3

    德国HBM 1-C2/10KN力传感器实拍图4


     
    德国HBM 1-C2/10KN力传感器相关型号
     
    1-C2/500N,1-C2/1KN,1-C2/2KN
    1-C2/5KN,1-C2/10KN,1-C2/20KN
    1-C2/50KN,1-C2/100KN,1-C2/200KN
     
     
    德国HBM 1-C2/10KN力传感器技术参数
     
    德国HBM 1-C2/10KN力传感器技术参数
     
     
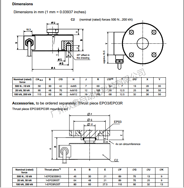
    德国HBM 1-C2/10KN力传感器产品规格尺寸

    德国HBM 1-C2/10KN力传感器产品规格尺寸



    香港金元宝免费资料重点推出以下品牌产品,确保全新原装正品,价优,欢迎新老客户咨询!
     
     
    ★ 德国HBM:称重传感器-- Z6F,C16A,RTN,HLCB1, PW2D, PW6D,PW2C,PW6K,PW6C,PW10A,PW12C,PW16A,PW22,S40A,C2等系列
    ★ 德国HBM:数字传感器-- C16I,FIT5AEB3,FIT7A
    ★ 德国HBM:扭矩/力传感器 -- T40B,T22,T5,U9C,C9C,S9M,U2B,S2M等系列
    ★ 德国HBM:称重仪表/变送器 -- WE2111,RM4220, BM40,AE101, AE301,EM201等系列
     
    ★ 美国世铨celtron:传感器 -- STC,HBB,LPS,LOC,PSD,LCD,MBB,SQB等系列
    ★ 美国特迪亚Tedea-huntleigh: --3410,616,355,1015,1040,1022,1260,120,1241,240等系列
    ★ 美国传力Transcell :传感器-- BSS,BSH,DBSL,SBST,CR,SBS,BAB等系列
     
    ★ 梅特勒托利多:称重传感器-- TSC,TSB,MTB,GD,SLB415,SLB215,MT1022,MT1260,MT1241,SB,SBS,SBH等系列
    ★ METTLER TOLEDO:数字传感器—GDD,SLC720,0760,PDX,SLC820等系列
    ★ 梅特勒托利多:控制仪表 -- IND331,IND245,IND320L,IND230,IND560,B520,IND110,WM0800,AJB等系列
     

    产品推荐

    联系我们
    联系方式

    销售热线:

    陈小姐:18520271262

      陈小姐:18688494254

    黄先生:18688492451

      黄先生:18520471262

    上班时间:

    周一到周六9:00-18:00

    二维码
    扫一扫联系我们