搜索
热门搜索: 美国中克塞尔美国世铨美国特迪亚美国传力德国HBM梅特勒托利多
产品中心

    U15/1MN传感器,德国HBM U15/1MN 力传感器

    产品介绍

    一、德国HBM U15/25KN力传感器产品介绍

    品牌:德国HBM
    系列:U15
    类型:力传感器
    产品特点:
    (1)拉力/压力传感器
    (2)标称(额定)力2.5 kN至2.5 MN
    (3)ISO 376中0.5级的力测量范围在标称(额定)力的百分之十到百之间(结合DKD校准证书)
    (4)电子弯矩调整
    (5)提供双桥版本、TEDS和其他选项

    二、德国HBM U15/25KN力传感器相关量程

    U15/2.5KN
    U15/5KN
    U15/10KN
    U15/25KN
    U15/50KN
    U15/100KN
    U15/250KN
    U15/500KN
    U15/1MN
    U15/2.5MN

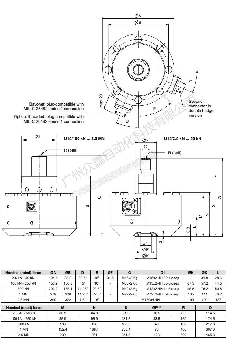
    三、U15/25KN力传感器图片




    四、U15/25KN力传感器产品尺寸

    五、U15/25KN力传感器技术参数




    产品推荐

    联系我们
    联系方式

    销售热线:

    陈小姐:18520271262

      陈小姐:18688494254

    黄先生:18688492451

      黄先生:18520471262

    上班时间:

    周一到周六9:00-18:00

    二维码
    扫一扫联系我们