搜索
热门搜索: 美国中克塞尔美国世铨美国特迪亚美国传力德国HBM梅特勒托利多
产品中心

    1-U10M/1.25MN传感器,德国HBM U10M/1.25MN 力传感器

    产品介绍

    德国HBM 1-U10M/1.25MN力传感器产品介绍
     
    产品品牌:德国HBM,德国HBM力传感器
    产品名称:测力传感器
    精度等级:0.02到0.05
    量程:1.25KN,2.5KN,5KN,12.5KN,25KN,50KN,125KN,250KN,500KN,1.25MN
    型号:U10M(公制螺纹),U10S(英制螺纹)
    特征:
    - 精确且耐用的拉力/压力传感器,用于静态和动态测量
    - 横向力和弯曲扭矩稳定性高,弯曲扭矩的影响通过电气方式加以抵消
    - 用力最高2.5 MN的力
    - 多样的配置选项(TEDS、双电桥、各种电气接口、…),可以灵活地匹配不同的测量任务
    - 采用不锈材料,如有需要可以达到IP68 防护等级
    - 基频谐振频率高-特别适用于快速进程的测量
     
     
    德国HBM 1-U10M/1.25MN力传感器实拍图
     
    德国HBM 1-U10M/1.25MN力传感器实拍图1

    德国HBM 1-U10M/1.25MN力传感器实拍图2

    德国HBM 1-U10M/1.25MN力传感器实拍图3

    德国HBM 1-U10M/1.25MN力传感器实拍图4

     
     
    德国HBM 1-U10M/1.25MN力传感器相关型号
     
    1-U10M/1.25KN,1-U10M/2.5KN,1-U10M/5KN
    1-U10M/12.5KN,1-U10M/25KN,1-U10M/50KN
    1-U10M/125KN,1-U10M/250KN,1-U10M/500KN
    1-U10M/1.25MN
     
     
     
    德国HBM 1-U10M/1.25MN力传感器技术参数
     
    德国HBM 1-U10M/1.25MN力传感器技术参数

     
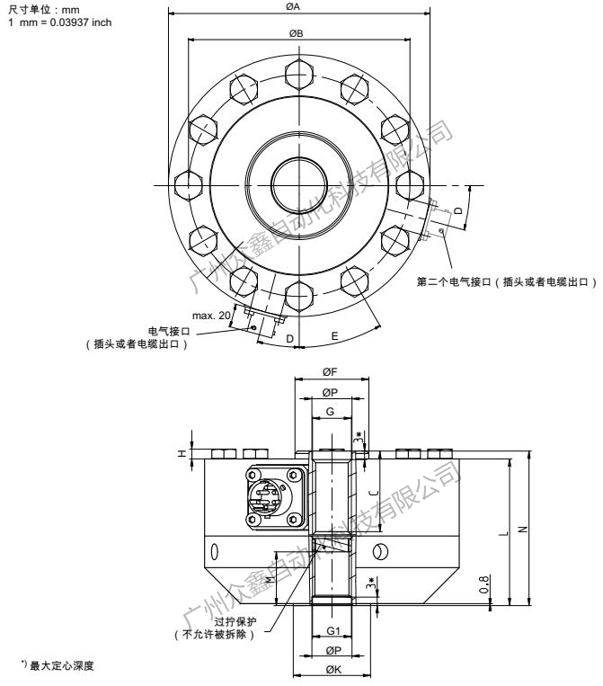
    德国HBM 1-U10M/1.25MN力传感器产品规格尺寸

    德国HBM 1-U10M/1.25MN力传感器产品规格尺寸1
    德国HBM 1-U10M/1.25MN力传感器产品规格尺寸2
    德国HBM 1-U10M/1.25MN力传感器产品规格尺寸3





    香港金元宝免费资料重点推出以下品牌产品,确保全新原装正品,价优,欢迎新老客户咨询!
     
     
    ★ 德国HBM:称重传感器-- Z6F,C16A,RTN,HLCB1, PW2D, PW6D,PW2C,PW6K,PW6C,PW10A,PW12C,PW16A,PW22,S40A,C2等系列
     
    ★ 德国HBM:数字传感器-- C16I,FIT5AEB3,FIT7A
     
    ★ 德国HBM:扭矩/力传感器 -- T40B,T22,T5,U9C,C9C,S9M,U2B,S2M等系列
    ★ 德国HBM:称重仪表/变送器 -- WE2111,RM4220, BM40,AE101, AE301,EM201等系列
    ★ 美国世铨celtron:传感器 -- STC,HBB,LPS,LOC,PSD,LCD,MBB,SQB等系列
    ★ 特迪亚Tedea-huntleigh: --3410,616,355,1015,1040,1022,1260,120,1241,240等系列
    ★ 美国传力Transcell :传感器-- BSS,BSH,DBSL,SBST,CR,SBS,BAB等系列
    ★ 梅特勒托利多:称重传感器-- TSC,TSB,MTB,GD,SLB415,SLB215,MT1022,MT1260,MT1241,SB,SBS,SBH等系列
    ★ METTLER TOLEDO:数字传感器—GDD,SLC720,0760,PDX,SLC820等系列
     
    ★ 梅特勒托利多:控制仪表 -- IND331,IND245,IND320L,IND230,IND560,B520,IND110,WM0800,AJB等系列
     

    产品推荐

    联系我们
    联系方式

    销售热线:

    陈小姐:18520271262

      陈小姐:18688494254

    黄先生:18688492451

      黄先生:18520471262

    上班时间:

    周一到周六9:00-18:00

    二维码
    扫一扫联系我们