德国HBM 1-T22/50NM扭矩传感器产品介绍
产品系列:T22
产品特征:
- 标称(额定)扭矩0.5NM、1NM、2NM、5NM、10NM、20NM、50NM、100NM、200NM、500NM、1KNM
- 标称(额定)转速高达20000 rpm(取决于测量范围)
- 精度等级:0.5
- 测量信号的非接触传输
- 旋转或静止部件的测量
- 无间隙摩擦接头的圆柱形轴端
- ±5 V和10±8 mA扭矩输出信号
德国HBM 1-T22/50NM扭矩传感器实拍图
德国HBM 1-T22/50NM扭矩传感器相关型号
1-T22/0.5NM,1-T22/1NM,1-T22/2NM
1-T22/5NM,1-T22/10NM,1-T22/20NM
1-T22/50NM,1-T22/100NM,1-T22/200NM
1-T22/500NM,1-T22/1KNM
德国HBM 1-T22/50NM扭矩传感器技术参数
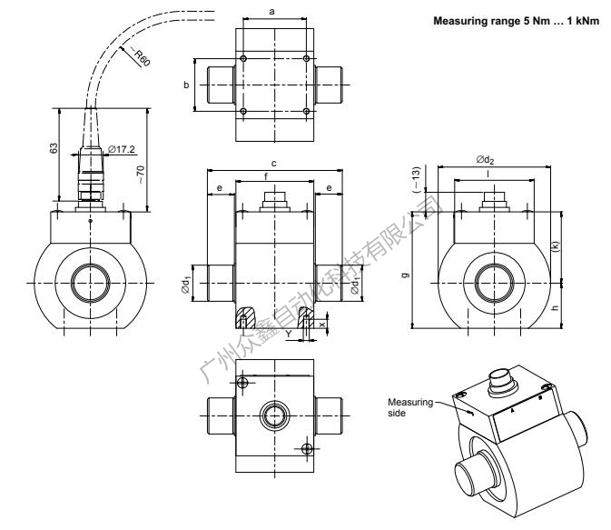
德国HBM 1-T22/50NM扭矩传感器产品规格尺寸

香港金元宝免费资料重点推出以下品牌产品,确保全新原装正品,价优,欢迎新老客户咨询!
★ 德国HBM:称重传感器-- Z6F,C16A,RTN,HLCB1, PW2D, PW6D,PW2C,PW6K,PW6C,PW10A,PW12C,PW16A,PW22,S40A,C2等系列
★ 德国HBM:数字传感器-- C16I,FIT5AEB3,FIT7A
★ 德国HBM:扭矩/力传感器 -- T40B,T22,T5,U9C,C9C,S9M,U2B,S2M等系列
★ 德国HBM:称重仪表/变送器 -- WE2111,RM4220, BM40,AE101, AE301,EM201等系列
★ 美国世铨celtron:传感器 -- STC,HBB,LPS,LOC,PSD,LCD,MBB,SQB等系列
★ 特迪亚Tedea-huntleigh: --3410,616,355,1015,1040,1022,1260,120,1241,240等系列
★ 美国传力Transcell :传感器-- BSS,BSH,DBSL,SBST,CR,SBS,BAB等系列
★ 梅特勒托利多:称重传感器-- TSC,TSB,MTB,GD,SLB415,SLB215,MT1022,MT1260,MT1241,SB,SBS,SBH等系列
★ METTLER TOLEDO:数字传感器—GDD,SLC720,0760,PDX,SLC820等系列
★ 梅特勒托利多:控制仪表 -- IND331,IND245,IND320L,IND230,IND560,B520,IND110,WM0800,AJB等系列