搜索
热门搜索: 美国中克塞尔美国世铨美国特迪亚美国传力德国HBM梅特勒托利多
产品中心

    T210扭矩传感器 德国HBM品牌 向下兼容替代T21WN扭矩传感器

    产品介绍
     
    一、德国HBM品牌 T210扭矩传感器产品介绍

     
    产品品牌:德国HBM
    产品类型:扭矩传感器
    产品型号:T210
    产品经销商:香港金元宝免费资料
     
    产品介绍:
     
    (1)T210 扭矩传感器是一套精密的扭矩测量系统,采用无线供电和信号传输。可以精确测量扭矩、转速和转角,提供电压和频率两种信号输出方式。T210 精密可靠,采用圆轴端,可轻松集成到多种工业应用中,如下线检测或是开发测试台。标准化设计,几乎所有的现有设备都可采用T210进行翻新改造。
    (2)T210向下兼容 T21WN型号扭矩传感器,安装孔兼容 T21WN型号。
    (3)T210用于测试台高精度扭矩和转速测量,以及多种工业应用场合。
     
    产品特点:
     
    (1)精度等级为0.1
    (2)线性偏差,包括滞后≤ 0.05%
    (3)额定量程从 0.5 到 200 N·m
    (4)高达30,000转/分的高速
    (5)转速测量,512脉冲/转
    (6)输出信号10 V和10 kHz±5 kHz
    (7)测量值的非接触传输
    (8)摩擦配合用圆柱形轴端
    (9)提供3D STEP 文件
    (10)免维护


     
    二、从 T21WN 转换为 T210 需要考虑的问题
     

    T21WN扭矩传感器和T210扭矩传感器的区别

     
    1、关于尺寸
     
    相同量程传感器的长度和宽度相同。T210的高度略高,但对于大多数应用而言,该方向的空间并不重要。底部和测量侧的安装孔相同。但T210在驱动侧没有安装孔。
     
    2、关于轴端
     
    轴端的直径是完全相同的
     
    3、在电气方面需要考虑什么
     
    所使用的插头是相同的,引脚分配非常相似,已经在使用的电缆也可以与T210一起使用。
     
    4、关于输出信号
     
    频率输出(10 kHz±5 kHz)和电压输出(±10 V)基本相同。在大多数应用程序中,直接替换不应造成影响。
     
    5、速度测量系统有哪些变化?
     
    测量系统现在的特点是每转512次脉冲。与之前一样,有两个5V的方波信号偏移90°,来进行转角测量。并且每个信号都可用于转速测量。此外,还有一个参考信号,每转1个脉冲,便于在高转速下进行测量。24 V电平信号的选项不再可用。
     
    6、T210 更好吗?
     
    我们可以看到更高的转速、更低的线性偏差、更好的温度特性、更宽的温度范围和更好的速度测量系统

     
     
    三、德国HBM品牌 T210扭矩传感器产品型号

     
    T210/0.5NM
    T210/1NM
    T210/2NM
    T210/5NM
    T210/10NM
    T210/20NM
    T210/50NM
    T210/100NM
    T210/200NM

     
    四、德国HBM品牌 T210扭矩传感器图片










     
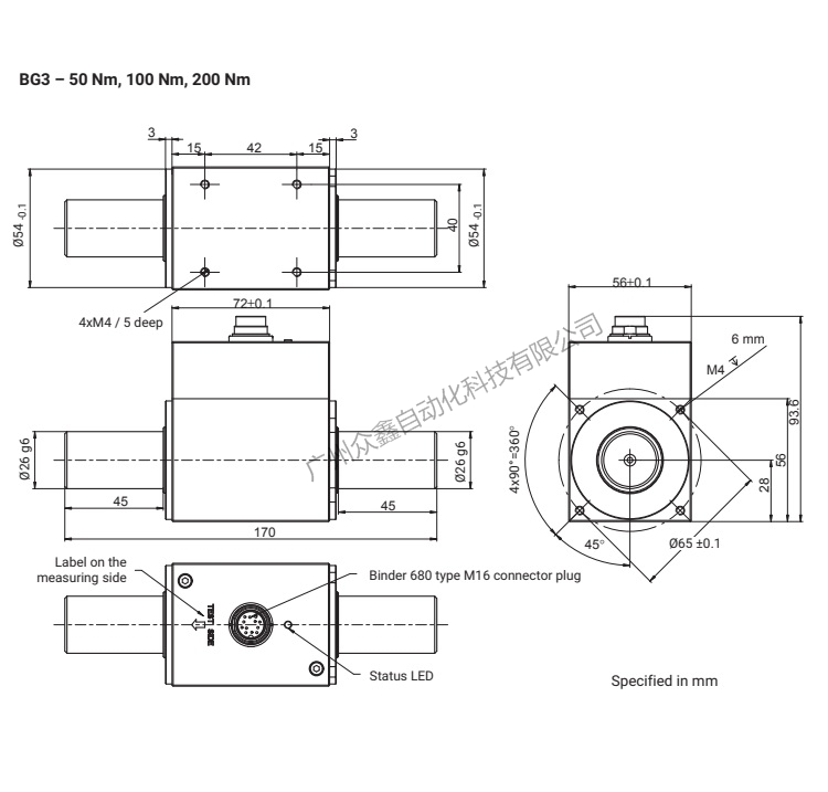
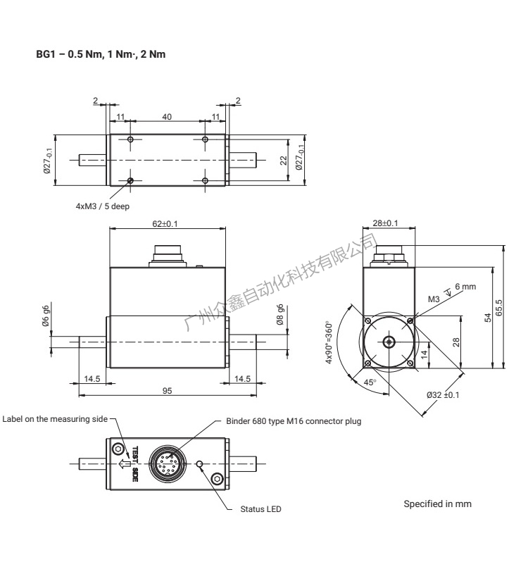
    五、德国HBM品牌 T210扭矩传感器产品尺寸

    德国HBM品牌 T210扭矩传感器产品尺寸
    德国HBM品牌 T210扭矩传感器产品尺寸
    德国HBM品牌 T210扭矩传感器产品尺寸

     
    六、德国HBM品牌 T210扭矩传感器技术参数

    德国HBM品牌 T210扭矩传感器技术参数
    德国HBM品牌 T210扭矩传感器技术参数
    德国HBM品牌 T210扭矩传感器技术参数

     
    香港金元宝免费资料重点推出以下品牌产品,确保全新原装正品,价优,欢迎新老客户咨询!
     
    ★ 德国HBM:称重传感器-- Z6F,C16A,RTN,HLCB1, PW2D, PW6D,PW2C,PW6K,PW6C,PW10A,PW12C,PW16A,PW22,S40A,C2等系列
    ★ 德国HBM:数字传感器-- C16I,FIT5AEB3,FIT7A
    ★ 德国HBM:扭矩/力传感器 -- T40B,T22,T5,U9C,C9C,S9M,U2B,S2M等系列
    ★ 德国HBM:称重仪表/变送器 -- WE2111,RM4220, BM40,AE101, AE301,EM201等系列
     
    ★ 美国世铨celtron:传感器 -- STC,HBB,LPS,LOC,PSD,LCD,MBB,SQB等系列
    ★ 特迪亚Tedea-huntleigh: --3410,616,355,1015,1040,1022,1260,120,1241,240等系列
    ★ 美国传力Transcell :传感器-- BSS,BSH,DBSL,SBST,CR,SBS,BAB等系列
     
    ★ 梅特勒托利多:称重传感器-- TSC,TSB,MTB,GD,SLB415,SLB215,MT1022,MT1260,MT1241,SB,SBS,SBH等系列
    ★ METTLER TOLEDO:数字传感器—GDD,SLC720,0760,PDX,SLC820等系列
    ★ 梅特勒托利多:控制仪表 -- IND331,IND245,IND320L,IND230,IND560,B520,IND110,WM0800,AJB等系列
     
    ※ 广州众鑫自动化服务宗旨:以诚信为本,用心服务理念;为客户提供完整的自动化控制解决方案。
    ※ 选择广州众鑫自动化理由:保证所售产品原装正品!货期快、效率高、货源正、价格优、值得信赖!
     
    产品推荐

    联系我们
    联系方式

    销售热线:

    陈小姐:18520271262

      陈小姐:18688494254

    黄先生:18688492451

      黄先生:18520471262

    上班时间:

    周一到周六9:00-18:00

    二维码
    扫一扫联系我们