T40B 以高精度、再现性和鲁棒性而著称,非常适合用于静态和动态扭矩测量。包括滞后和高温稳定性,扭矩传感器具有 0.03% 的线性精度。可内置磁学转速测量系统,在传动系统中进行功率测量。非接触设计和数字信号传输确保了更高的安全性,并具有免维护特性。EtherCAT 的 TIM-EC接口模块和 PROFINET 的 TIM-PN 可将扭矩和转速信号与最先进的测试台系统进行集成,确保获得最高的性能和高灵活性。
一、德国HBM品牌 T40B扭矩传感器产品介绍
产品品牌:德国HBM
产品类型:扭矩传感器
产品系列:T40B
额定扭矩:50 Nm 至 10 kNm
产品特点:
1、极具成本效益的高性能扭矩传感器,用于测试台,测量结果具有极高的精度和再现性
(1)线性度(包括滞后)仅为0.03%
(2)高温稳定性
(3)比例计量法确保更高的测量精度和稳定性
2、创新数字数据传输提供可靠的测量数据,即使在恶劣的环境条件下
(1)带错误检测的数字传输确保了无干扰数据传输
(2)强度高,坚固耐用
3、极高灵活性,面向现在和未来的测量任务
(1)坚固的磁学转速测量系统
(2)模拟和数字接口,便于与不同测试台系统集成
(3)可选带有参考脉冲的鲁棒磁学转速测量系统,用于获取绝对转子位置
二、德国HBM品牌 T40B扭矩传感器实拍图




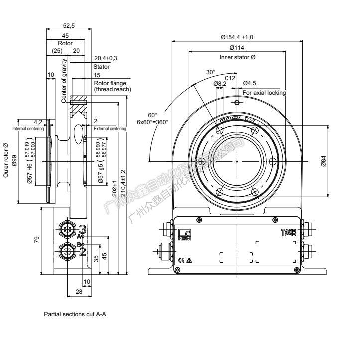
三、德国HBM品牌 T40B扭矩传感器产品尺寸

四、德国HBM品牌 T40B扭矩传感器产品技术参数

香港金元宝免费资料重点推出以下品牌产品,确保全新原装正品,价优,欢迎新老客户咨询!
★ 美国中克塞尔:称重传感器 -- SLZX,SLBH,SLBC,SBSE,LZXD,LZX13,LZX10,DZXL,BHxA等系列
★ 美国中克塞尔:称重仪表 -- ZM02,ZXM-P1,ZXM06,DZM-X1,DZM-MINI,DZX7702X等系列
★ 美国中克塞尔:称重模块 -- SWB MK,UW MK,CW MK,SBT MK,SBS ME等系列
★ 德国HBM:称重传感器-- Z6F,C16A,RTN,HLCB1, PW2D, PW6D,PW2C,PW6K,PW6C,PW10A,PW12C,PW16A,PW22,S40A,C2等系列
★ 德国HBM:数字传感器-- C16I,FIT5AEB3,FIT7A
★ 德国HBM:扭矩/力传感器 -- T40B,T22,T5,U9C,C9C,S9M,U2B,S2M等系列
★ 德国HBM:称重仪表/变送器 -- WE2111,RM4220, BM40,AE101, AE301,EM201等系列
★ 美国世铨celtron:传感器 -- STC,HBB,LPS,LOC,PSD,LCD,MBB,SQB等系列
★ 特迪亚Tedea-huntleigh: --3410,616,355,1015,1040,1022,1260,120,1241,240等系列
★ 美国传力Transcell :传感器-- BSS,BSH,DBSL,SBST,CR,SBS,BAB等系列
★ 梅特勒托利多:称重传感器-- TSC,TSB,MTB,GD,SLB415,SLB215,MT1022,MT1260,MT1241,SB,SBS,SBH等系列
★ METTLER TOLEDO:数字传感器—GDD,SLC720,0760,PDX,SLC820等系列
★ 梅特勒托利多:控制仪表 -- IND331,IND245,IND320L,IND230,IND560,B520,IND110,WM0800,AJB等系列