【香港金元宝免费资料】专业供应T21WN/0.1Nm~T21WN/200Nm德国HBM扭矩传感器,德国HBM-T21WN扭矩传感器保证货期快捷,100%原装正品,努力打造中国传感器销售第一品牌商。德国HBM-T21WN扭矩传感器是本公司的重点优势产品之一,拥有绝对优势价格,现货、原装、正品、可靠!保证满意价格质量!我们郑重承诺:“三个月内质量问题随时无条件退换货,退还全部货款,不收任何费用”。质保1年,随时维修!

产品简介:
德国HBM扭矩传感器 T21WN系列相关型号:T21WN/0.1Nm,T21WN/0.2Nm,T21WN/0.5Nm,T21WN/1Nm,T21WN/2Nm,T21WN/5Nm,T21WN/10Nm,T21WN/20Nm,T21WN/50Nm,T21WN/100Nm,T21WN/200Nm
T21WN 扭矩传感器: 扭矩测量最高到 200 Nm
基于应变的 T21WN 扭矩传感器采用非接触式方式进行信号传输和供电。适用于非旋转和旋转部件的较低扭矩静态和动态测量。扭矩的额定输出信号为 +/-10 V。可用于测试台以及医疗工程研究实验室的材料或触觉测试。和 T20WN 一样,通过 VK20A 接线盒,T21WN 扭矩传感器可方便地集成到测量链中。
HBM 精度等级: 0.2
额定扭矩: 0.1 Nm 到 200 Nm
额定转速 (rpm): 最大到 20,000
内置转速和转角测量
转速测量,360脉冲/转
结构紧凑,容易集成
免维护
标准电压和频率输出 (+/- 10 V; 10 kHz+/-5 kHz)
EtherCAT 和 PROFINET
测量带宽高达 1 kHz
转速高达 20,000 rpm
10 和 28.8 V 输入电压
多种附件可选
多种不同长度的传感器连接电缆 (5m, 10m)
12-pin 电缆插头
波纹管联轴器
VK20A 接线盒
TIM-EC/TIM-PN/ClipX 接口模块
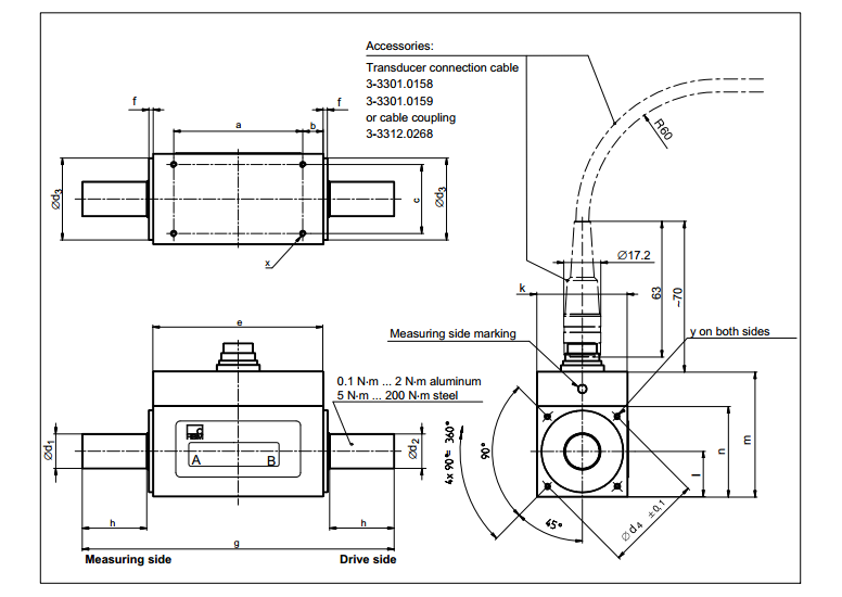
产品结构尺寸:


拓展阅读
扭矩传感器和转矩传感器
HBM 作为全球首家数字扭矩传感器的制造商,产品包括 扭矩传感器 (扭力传感器,转矩传感器), 以及用来测量反作用力的 非转动式 扭矩传感器 (扭力传感器)以及用于扭矩传感器 (扭力传感器) 的各种联轴器 和测量仪表。HBM 拥有 滑环和非接触式信号传输 专利技术,额定测量范围从 0.1 N·m 到 2 MN·m, 额定转速最大到40,000 rpm。
HBM 扭矩传感器一直在业界享有盛誉。从1958 年开始, HBM 扭矩传感器(扭力传感器,转矩传感器)一直是行业标准,广泛应用于发动机和零部件测试台架,生产监控和实验室扭矩标定。
DKD (德国校准服务机构) 的首家标定实验室 1977 在 HBM 成立。1990年7月13日,HBM 被 DKD 授予进行扭矩标定,多年以来, HBM 一直是德国唯一一家可进行 扭矩标定 服务的实验室,并负责制定国家标准.
T12,T40FM,T40,T40B 是新一代数字扭矩传感器。其采用特殊模数转化方法,不仅带有错误识别功能,对电磁环境不敏感,并且具有更高的采样率和更高的精度。
以上是T21WN/0.1Nm~T21WN/200Nm德国HBM扭矩传感器详细信息,如果您对T21WN/0.1Nm~T21WN/200Nm德国HBM扭矩传感器的价格、货期、型号、库存有什么疑问,欢迎拨打18520271262陈工 获取T21WN/0.1Nm~T21WN/200Nm德国HBM扭矩传感器最新价格详情。