【
香港金元宝免费资料】专业供应T22/0.5Nm~T4A/500Nm
德国HBM扭矩传感器,德国HBM-T22扭矩传感器保证货期快捷,100%原装正品,努力打造中国传感器销售第一品牌商。德国HBM-T22扭矩传感器是本公司的重点优势产品之一,拥有绝对优势价格,现货、原装、正品、可靠!保证满意价格质量!
我们郑重承诺:“三个月内质量问题随时无条件退换货,退还全部货款,不收任何费用”。质保1年,随时维修!
产品简介:
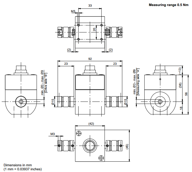
德国HBM扭矩传感器 T22系列相关型号:T22/0.5Nm,T22/1Nm,T22/2Nm,T22/5Nm,T22/10Nm,T22/20Nm,T22/50Nm,T22/100Nm,T22/200Nm,T22/500Nm。
T22 扭矩传感器: 扭矩测量最高达 1 kNm。基于应变的 T22 扭矩传感器采用非接触式传输技术,量程从 0-0.5 Nm 最大到 0-1 kNm。结构紧凑,适合旋转和非旋转部件进行动态和静态扭矩测量。其带有两个模拟输出(电流和电压), T22 可非常简单地连接到可编程逻辑控制器(PLC),因此非常适合用于生产和过程监控。高效经济的替代方案,新增小额定量程 (0.5 Nm, 1 Nm, 2 Nm)
T22 扭矩传感器新增了三个量程:0.5 Nm, 1 Nm, 和 2 Nm。其适合较小扭矩测量,例如医疗工程,轴承测试台及材料,手感值测试等。
-
HBM 精度等级: 0.5
-
额定扭矩: 0.5 Nm 到 1 kNm
-
额定转速 (rpm): 最高达 20,000
-
内置电子部件,无需额外放大器
-
结构紧凑,安装简单,即使在密闭空间内
-
免维护
-
直接连接到带+/- 5 V 和 10 +/- 8 mA 模拟输出的 PLC
-
联轴器直径可单独选择
-
非摩擦配合
-
传感器连接电缆有不同长度(5 m,10 m)
-
12 针电缆插头
-
波纹管联轴器
-
ClipX 接口模块
产品结构尺寸:

产品技术参数:

拓展阅读
扭矩传感器和转矩传感器
HBM 作为全球首家数字扭矩传感器的制造商,产品包括 扭矩传感器 (扭力传感器,转矩传感器), 以及用来测量反作用力的 非转动式 扭矩传感器 (扭力传感器)以及用于扭矩传感器 (扭力传感器) 的各种联轴器 和测量仪表。HBM 拥有 滑环和非接触式信号传输 专利技术,额定测量范围从 0.1 N·m 到 2 MN·m, 额定转速最大到40,000 rpm。
HBM 扭矩传感器一直在业界享有盛誉。从1958 年开始, HBM 扭矩传感器(扭力传感器,转矩传感器)一直是行业标准,广泛应用于发动机和零部件测试台架,生产监控和实验室扭矩标定。
DKD (德国校准服务机构) 的首家标定实验室 1977 在 HBM 成立。1990年7月13日,HBM 被 DKD 授予进行扭矩标定,多年以来, HBM 一直是德国唯一一家可进行 扭矩标定 服务的实验室,并负责制定国家标准.
T12,T40FM,T40,T40B 是新一代数字扭矩传感器。其采用特殊模数转化方法,不仅带有错误识别功能,对电磁环境不敏感,并且具有更高的采样率和更高的精度。
以上是T22/0.5Nm~T22/500Nm德国HBM扭矩传感器详细信息,如果您对T22/0.5Nm~T22/500Nm德国HBM扭矩传感器的价格、货期、型号、库存有什么疑问,欢迎拨打18520271262陈工 获取T22/0.5Nm~T22/500Nm德国HBM扭矩传感器最新价格详情。