【香港金元宝免费资料】专业供应T40FM/15kNm~T40FM/80kNm德国HBM扭矩传感器,德国HBM-T40FM扭矩传感器保证货期快捷,100%原装正品,努力打造中国传感器销售第一品牌商。德国HBM-T40FM扭矩传感器是本公司的重点优势产品之一,拥有绝对优势价格,现货、原装、正品、可靠!保证满意价格质量!我们郑重承诺:“三个月内质量问题随时无条件退换货,退还全部货款,不收任何费用”。质保1年,随时维修!

产品简介:
德国HBM扭矩传感器 T40FM系列相关型号:T40FM/15kNm,T40FM/20kNm,T40FM/25kNm,T40FM/30kNm,T40FM/40kNm,T40FM/50kNm,T40FM/60kNm,T40FM/70kNm,T40FM/80kNm。
T40FM 动态扭矩测量 从 15 kN·m 到 80 kN·m
T40FM 扭矩传感器可以测量高达 80 kN·m 动态扭矩 - 高精度高可靠 – 并具有极高性价比。结实可靠,可用于恶劣环境,因此其是大型发动机和传输系统生产和测试的理想选择。带有数字和模拟接口,更容易集成到测试系统中。 其和前任 T10FM 具有相同的几何尺寸,可以进行简单替换即可进行系统升级。
HBM 精度等级: 0.1
额定扭矩: 15 kN·m 到 80 kN·m
额定转速: 最高达 8000 rpm
高测量精度和线性,0.05% 低蠕变
高侧向力稳定性
高扭转刚度,适合动态测量系统
测量带宽高达 6 kHz
采样率高达 38.125 kS/s
高稳定性, 即使用于温度不断变化的环境
磁阻转速测量系统,对油污和灰尘不敏感
更宽的量程范围,从 15 kNm 到 80 kNm
带有模拟和数字接口 (Profibus-DP, CAN, EtherCAT, Profinet),容易集成到多种不同测试台架
和 T10FM 有相同的尺寸,向下兼容
尺寸更短,装配简单
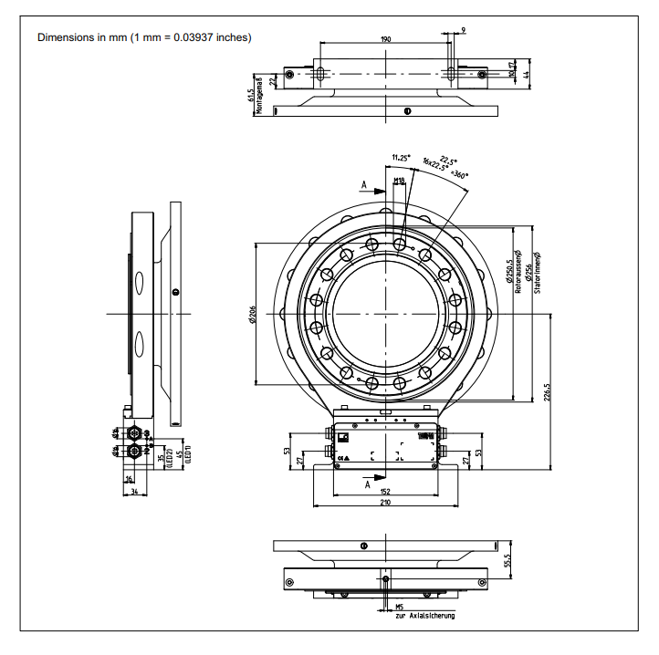
产品结构尺寸:

产品技术参数:

拓展阅读
扭矩传感器和转矩传感器
HBM 作为全球首家数字扭矩传感器的制造商,产品包括 扭矩传感器 (扭力传感器,转矩传感器), 以及用来测量反作用力的 非转动式 扭矩传感器 (扭力传感器)以及用于扭矩传感器 (扭力传感器) 的各种联轴器 和测量仪表。HBM 拥有 滑环和非接触式信号传输 专利技术,额定测量范围从 0.1 N·m 到 2 MN·m, 额定转速最大到40,000 rpm。
HBM 扭矩传感器一直在业界享有盛誉。从1958 年开始, HBM 扭矩传感器(扭力传感器,转矩传感器)一直是行业标准,广泛应用于发动机和零部件测试台架,生产监控和实验室扭矩标定。
DKD (德国校准服务机构) 的首家标定实验室 1977 在 HBM 成立。1990年7月13日,HBM 被 DKD 授予进行扭矩标定,多年以来, HBM 一直是德国唯一一家可进行 扭矩标定 服务的实验室,并负责制定国家标准.
T12,T40FM,T40,T40B 是新一代数字扭矩传感器。其采用特殊模数转化方法,不仅带有错误识别功能,对电磁环境不敏感,并且具有更高的采样率和更高的精度。
以上是T40FM/15kNm~T40FM/80kNm德国HBM扭矩传感器详细信息,如果您对T40FM/15kNm~T40FM/80kNm德国HBM扭矩传感器的价格、货期、型号、库存有什么疑问,欢迎拨打18520271262陈工 获取T40FM/15kNm~T40FM/80kNm德国HBM扭矩传感器最新价格详情。