【
香港金元宝免费资料】专业供应TTS/100Nm
~TTS/3kNm
德国HBM扭矩传感器,德国HBM- TTS扭矩传感器保证货期快捷,100%原装正品,努力打造中国传感器销售第一品牌商。德国HBM- TTS扭矩传感器是本公司的重点优势产品之一,拥有绝对优势价格,现货、原装、正品、可靠!保证满意价格质量!
我们郑重承诺:“三个月内质量问题随时无条件退换货,退还全部货款,不收任何费用”。质保1年,随时维修!
产品简介:
德国HBM扭矩传感器 TTS系列相关型号:TTS/100Nm,TTS/200Nm,TTS/500Nm,TTS/1kNm,TTS/3kNm。
由于扭矩扳手会产生特殊扭矩, 因此 TTS 弯矩的极限阻值至关重要.
德国标定服务机构 (DKD) 按照 DKD-R 3-7 标准中,最严格的要求要求采用 TTS 作为扭矩标准.
标定服务证书 也在交付清单中.
另外还包括一个手提箱和标准尺寸的方形适配器。其他尺寸的适配器也可订购.
关键特性
额定扭矩 100 N∙m, 200 N∙m, 500 N∙m, 1 kN∙m 和 3 kN∙m
用于扭矩扳手标定的扭矩传感器
精度 0.5 per DKD-R-3-7
对横向和纵向力,以及弯矩具有很强的免疫力
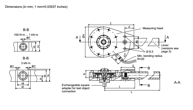
产品结构尺寸:

产品技术参数:
拓展阅读
扭矩传感器和转矩传感器
HBM 作为全球首家数字扭矩传感器的制造商,产品包括 扭矩传感器 (扭力传感器,转矩传感器), 以及用来测量反作用力的 非转动式 扭矩传感器 (扭力传感器)以及用于扭矩传感器 (扭力传感器) 的各种联轴器 和测量仪表。HBM 拥有 滑环和非接触式信号传输 专利技术,额定测量范围从 0.1 N•m 到 2 MN•m, 额定转速最大到40,000 rpm。
HBM 扭矩传感器一直在业界享有盛誉。从1958 年开始, HBM 扭矩传感器(扭力传感器,转矩传感器)一直是行业标准,广泛应用于发动机和零部件测试台架,生产监控和实验室扭矩标定。
DKD (德国校准服务机构) 的首家标定实验室 1977 在 HBM 成立。1990年7月13日,HBM 被 DKD 授予进行扭矩标定,多年以来, HBM 一直是德国唯一一家可进行 扭矩标定 服务的实验室,并负责制定国家标准.
T12,T40FM,T40,T40B 是新一代数字扭矩传感器。其采用特殊模数转化方法,不仅带有错误识别功能,对电磁环境不敏感,并且具有更高的采样率和更高的精度。
以上是TTS/100Nm~TTS/3kNm
德国HBM扭矩扳手详细信息,如果您对TTS/100Nm~TTS/3kNm
德国HBM扭矩扳手的价格、货期、型号、库存有什么疑问,欢迎拨打18520271262陈工 获取TTS/100Nm~TTS/3kNm
德国HBM扭矩扳手最新价格详情。