搜索
热门搜索: 美国中克塞尔美国世铨美国特迪亚美国传力德国HBM梅特勒托利多
产品中心
    当前位置: 首页  > 产品中心  > 温湿度传感器

    EE10-FT3~EE10-FT6奥地利E+E温湿度传感器

    产品介绍
          香港金元宝免费资料专业供应奥地利E+E EE10系列温湿度传感器,【EE10-FT3~EE10-FT6奥地利E+E温湿度传感器】保证货期快捷,100%原装进口,努力打造中国传感器销售第一品牌商。奥地利E+E EE10系列温湿度传感器相关型号:EE10-FT3-D04-T04,EE10-FT3-D04-T31,EE10-FT3-D04-T55,EE10-FT3-D04-Txx,EE10-F3-D04,EE10-F6-D04,EE10-FT6-D04-T04,EE10-FT6-D04-T31,EE10-FT6-D04-T55,EE10-FT6-D04-Txx,EE10-FP3A-D04,EE10-FP3C-D04,EE10-FP6A-D04,EE10-FP6C-D04。

    奥地利E+E EE10系列温湿度传感器测量原理

    ★EE10系列温湿度变送器专为暖通空调邻域温湿度测量而设计,适用于商业楼宇和常规建筑的BA系统,变送器采用E+E高品质的HC103温敏元件,测量精度高。变送器外形设计美观,安装简便。
    ★EE10系列温湿度输出信号为标准4-20MA或0-10VDC信号,温度输出可选择4-20MA或0-10VDC的标准信号或电阻输出信号。
    ★EE10系列有两种外型设计以满足不同地区标准,且所有产品都可以配置清晰的液晶显示模块用以现场的温湿度显示。

    奥地利E+E EE10系列温湿度传感器外观尺寸图

     
     
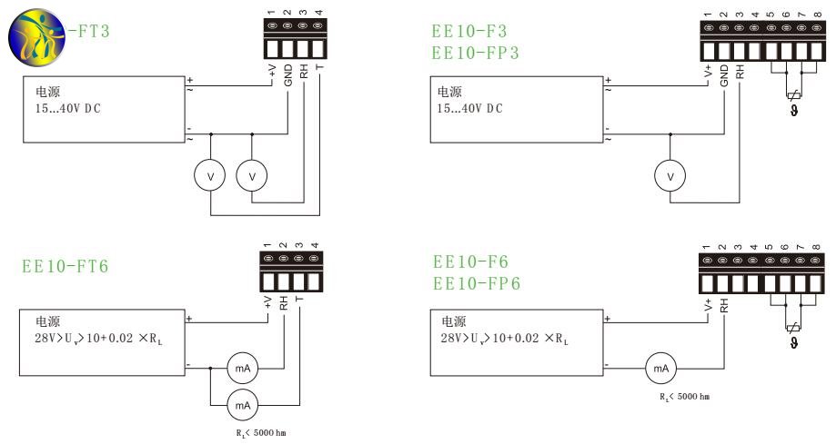
    奥地利E+E EE10系列温湿度传感器电路连接图

     

    奥地利E+E EE10系列温湿度传感器技术参数

     

    奥地利E+E EE10温湿度传感器系列完整订货规格

    EE10-FT3-D04-T04,湿度变送+温度变送,0-10V输出,带显示,0~50℃温度输出范围
    EE10-FT3-D04-T31,湿度变送+温度变送,0-10V输出,带显示,-5~55℃温度输出范围
    EE10-FT3-D04-T55,湿度变送+温度变送,0-10V输出,带显示,0~40℃温度输出范围
    EE10-FT3-D04-Txx,湿度变送+温度变送,0-10V输出,带显示,其他温度输出范围
     
    EE10-FT6-D04-T04,湿度变送+温度变送,4-20MA输出,带显示,0~50℃温度输出范围
    EE10-FT6-D04-T31,湿度变送+温度变送,4-20MA输出,带显示,-5~55℃温度输出范围
    EE10-FT6-D04-T55,湿度变送+温度变送,4-20MA输出,带显示,0~40℃温度输出范围
    EE10-FT6-D04-Txx,湿度变送+温度变送,4-20MA输出,带显示,其他温度输出范围
     
    EE10-FP3A-D04,湿度变送器+温度电阻,0-10V输出,Pt100DNA温度敏感元件,带显示
    EE10-FP3C-D04,湿度变送器+温度电阻,0-10V输出,Pt1000DNA温度敏感元件,带显示
    EE10-FP6A-D04,湿度变送器+温度电阻,4-20MA输出,Pt100DNA温度敏感元件,带显示
    EE10-FP6C-D04,湿度变送器+温度电阻,4-20MA输出,Pt1000DNA温度敏感元件,带显示

    拓展阅读

    奥地利E+E温湿度传感器热销型号:

    EE210系列墙面安装型
    EE210-HT2xPAxxB-UwTx002M,EE210-HT3xPAxxB-UwTx002M,EE210-HT6xPAxxB-UwTx002M
    EE210-HT2xPAxxD-UwTx002M,EE210-HT3xPAxxD-UwTx002M,EE210-HT6xPAxxD-UwTx002M
    EE210-HT2xPAxxB-UwTx003M,EE210-HT3xPAxxB-UwTx003M,EE210-HT6xPAxxB-UwTx003M
    EE210-HT2xPAxxD-UwTx003M,EE210-HT3xPAxxD-UwTx003M,EE210-HT6xPAxxD-UwTx003M
    EE210-HT2xPAxxB-UwTx004M,EE210-HT3xPAxxB-UwTx004M,EE210-HT6xPAxxB-UwTx004M
    EE210-HT2xPAxxD-UwTx004M,EE210-HT3xPAxxD-UwTx004M,EE210-HT6xPAxxD-UwTx004M
    EE210-HT2xPAxxB-UwTx005M,EE210-HT3xPAxxB-UwTx005M,EE210-HT6xPAxxB-UwTx005M
    EE210-HT2xPAxxD-UwTx005M,EE210-HT3xPAxxD-UwTx005M,EE210-HT6xPAxxD-UwTx005M
    EE210-HT2xPAxxB-UwTx076M,EE210-HT3xPAxxB-UwTx076M,EE210-HT6xPAxxB-UwTx076M
    EE210-HT2xPAxxD-UwTx076M,EE210-HT3xPAxxD-UwTx076M,EE210-HT6xPAxxD-UwTx076M
    EE210-HT2xPAxxB-UwTx083M,EE210-HT3xPAxxB-UwTx083M,EE210-HT6xPAxxB-UwTx083M
    EE210-HT2xPAxxD-UwTx083M,EE210-HT3xPAxxD-UwTx083M,EE210-HT6xPAxxD-UwTx083M
     
    EE210系列管道安装型
    EE210-HT2xPBBxB-UwTx002M,EE210-HT3xPBBxB-UwTx002M,EE210-HT6xPBBxB-UwTx002M
    EE210-HT2xPBBxD-UwTx002M,EE210-HT3xPBBxD-UwTx002M,EE210-HT6xPBBxD-UwTx002M
    EE210-HT2xPBBxB-UwTx003M,EE210-HT3xPBBxB-UwTx003M,EE210-HT6xPBBxB-UwTx003M
    EE210-HT2xPBBxD-UwTx003M,EE210-HT3xPBBxD-UwTx003M,EE210-HT6xPBBxD-UwTx003M
    EE210-HT2xPBBxB-UwTx004M,EE210-HT3xPBBxB-UwTx004M,EE210-HT6xPBBxB-UwTx004M
    EE210-HT2xPBBxD-UwTx004M,EE210-HT3xPBBxD-UwTx004M,EE210-HT6xPBBxD-UwTx004M
    EE210-HT2xPBBxB-UwTx005M,EE210-HT3xPBBxB-UwTx005M,EE210-HT6xPBBxB-UwTx005M
    EE210-HT2xPBBxD-UwTx005M,EE210-HT3xPBBxD-UwTx005M,EE210-HT6xPBBxD-UwTx005M
    EE210-HT2xPBBxB-UwTx076M,EE210-HT3xPBBxB-UwTx076M,EE210-HT6xPBBxB-UwTx076M
    EE210-HT2xPBBxD-UwTx076M,EE210-HT3xPBBxD-UwTx076M,EE210-HT6xPBBxD-UwTx076M
    EE210-HT2xPBBxB-UwTx083M,EE210-HT3xPBBxB-UwTx083M,EE210-HT6xPBBxB-UwTx083M
    EE210-HT2xPBBxD-UwTx083M,EE210-HT3xPBBxD-UwTx083M,EE210-HT6xPBBxD-UwTx083M
     
    EE210系列分体探头型
    EE210-HT2xPCxxx-UwTx002M,EE210-HT3xPCxxx-UwTx002M,EE210-HT6xPCxxx-UwTx002M
    EE210-HT2xPCxxx-UwTx003M,EE210-HT3xPCxxx-UwTx003M,EE210-HT6xPCxxx-UwTx003M
    EE210-HT2xPCxxx-UwTx004M,EE210-HT3xPCxxx-UwTx004M,EE210-HT6xPCxxx-UwTx004M
    EE210-HT2xPCxxx-UwTx005M,EE210-HT3xPCxxx-UwTx005M,EE210-HT6xPCxxx-UwTx005M
    EE210-HT2xPCxxx-UwTx076M,EE210-HT3xPCxxx-UwTx004M,EE210-HT6xPCxxx-UwTx076M
    EE210-HT2xPCxxx-UwTx083M,EE210-HT3xPCxxx-UwTx083M,EE210-HT6xPCxxx-UwTx083M
     
     
    以上是EE10-FT3~EE10-FT6奥地利E+E温湿度传感器详细信息,如果您对EE10-FT3~EE10-FT6奥地利E+E温湿度传感器的价格、货期、型号、库存有什么疑问,欢迎拨打18520271262 获取EE10-FT3~EE10-FT6奥地利E+E温湿度传感器的最新价格详情。
    产品推荐

    联系我们
    联系方式

    销售热线:

    陈小姐:18520271262

      陈小姐:18688494254

    黄先生:18688492451

      黄先生:18520471262

    上班时间:

    周一到周六9:00-18:00

    二维码
    扫一扫联系我们