搜索
热门搜索: 美国中克塞尔美国世铨美国特迪亚美国传力德国HBM梅特勒托利多
产品中心

    TRS-0100位移传感器,德国NOVOTECHNIK TRS-0100直线位移传感器

    产品介绍
     
    一、TRS-0100直线位移传感器 德国novotechnik位移传感器产品介绍
     
     
    产品品牌:德国novotechnik
     
    产品系列:TRS
     
    产品类型:位移传感器,直线位移传感器
     
    产品特点:
     
    (1)使用寿命长,运行次数可达 100 x 106 次运动
    (2)线性优异,zui高可达 ±0.075%
    (3)输出电缆或插头可选
    (4)兼容标准触点
    (5)两端柔性轴承
    (6)抗冲击和振动的性能优异
     
    产品说明:
     
    (1)外 壳:阳极氧化铝
    (2)安 装:可调整夹钳
    (3)拉 杆:AISI 303 不锈钢,带防止旋转装置,内螺纹 M2.5x6
    (4)测量触点:带有 M5x0.5 滚花的硬质钢球,淬火处理,带缓冲弹力
    (5)柔性轴承:两端 DU 柔性塑料轴承
    (6)电阻元件:导电塑料
    (7)滑刷组件:贵金属多触脚滑刷,带弹性阻尼
    (8)电气连接:5 针 IEC 130-9 圆插头
     
    产品介绍:
     
    位移传感器利用导电塑料和滑刷进行位置或物体外形轮廓的直接测量,不需任何形式的固体机械耦合。
     
    这些传感器组件的一个与众不同且重要的特点是其坚固且经过工程检验的结构设计。
     
    尤为重要的是,当遇到侧向应力时(如在凸轮应用中)传感器的两端柔性轴承能起到有效缓冲的作用。拉杆后端固定着一个特殊的卡套,在需要用气缸或电磁铁进行自动缩进的地方可方便地利用此卡套。
     
     
     
    二、TRS-0100直线位移传感器 德国novotechnik位移传感器相关型号
     
     
    TRS-0025
    TRS-0050
    TRS-0075
    TRS-0100
     
     
    三、TRS直线位移传感器 德国novotechnik位移传感器实拍图
     
     
    TRS直线位移传感器 德国novotechnik实拍图

    TRS直线位移传感器 德国novotechnik实拍图

    TRS直线位移传感器 德国novotechnik实拍图

    TRS直线位移传感器 德国novotechnik实拍图

    TRS直线位移传感器 德国novotechnik实拍图
     


     
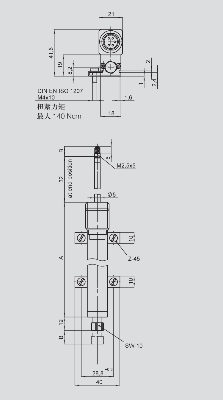
    四、TRS-0100直线位移传感器 德国novotechnik位移传感器产品尺寸


     
    TRS-0100直线位移传感器 德国novotechnik产品尺寸



     
    五、TRS-0100直线位移传感器 德国novotechnik位移传感器技术参数


    TRS-0100直线位移传感器 德国novotechnik技术参数




    香港金元宝免费资料重点推出以下品牌产品,确保全新原装正品,价优,欢迎新老客户咨询!
     
    ★ 德国HBM:称重传感器-- Z6F,C16A,RTN,HLCB1, PW2D, PW6D,PW2C,PW6K,PW6C,PW10A,PW12C,PW16A,PW22,S40A,C2等系列
    ★ 德国HBM:数字传感器-- C16I,FIT5AEB3,FIT7A
    ★ 德国HBM:扭矩/力传感器 -- T40B,T22,T5,U9C,C9C,S9M,U2B,S2M等系列
    ★ 德国HBM:称重仪表/变送器 -- WE2111,RM4220, BM40,AE101, AE301,EM201等系列
     
    ★ 美国世铨celtron:传感器 -- STC,HBB,LPS,LOC,PSD,LCD,MBB,SQB等系列
    ★ 特迪亚Tedea-huntleigh: --3410,616,355,1015,1040,1022,1260,120,1241,240等系列
    ★ 美国传力Transcell :传感器-- BSS,BSH,DBSL,SBST,CR,SBS,BAB等系列
     
    ★ 梅特勒托利多:称重传感器-- TSC,TSB,MTB,GD,SLB415,SLB215,MT1022,MT1260,MT1241,SB,SBS,SBH等系列
    ★ METTLER TOLEDO:数字传感器—GDD,SLC720,0760,PDX,SLC820等系列
    ★ 梅特勒托利多:控制仪表 -- IND331,IND245,IND320L,IND230,IND560,B520,IND110,WM0800,AJB等系列
     
    ※ 广州众鑫自动化服务宗旨:以诚信为本,用心服务理念;为客户提供完整的自动化控制解决方案。
    ※ 选择广州众鑫自动化理由:保证所售产品原装正品!货期快、效率高、货源正、价格优、值得信赖!

    产品推荐

    联系我们
    联系方式

    销售热线:

    陈小姐:18520271262

      陈小姐:18688494254

    黄先生:18688492451

      黄先生:18520471262

    上班时间:

    周一到周六9:00-18:00

    二维码
    扫一扫联系我们