香港金元宝免费资料-资料免费精选
语言
国家/地区
中文
English
专注自动化称重系统
全国咨询热线:
18520271262
020-28186246
首页
搜索
热门搜索:
美国中克塞尔
美国世铨
美国特迪亚
美国传力
德国HBM
梅特勒托利多
产品中心
当前位置:
首页
>
产品中心
>
位移传感器
>
直线位移传感器
【LWE传感器】LWE-50~LWE-900_德国volfa位移传感器
联系我们
查看pdf
产品介绍
一、LWE位移传感器产品介绍
产品品牌:德国VOLFA
产品类型:直线位移传感器
产品系列:LWE
产品行程:50mm至800mm
产品特点:
(1)分辨率优于0.01mm
(2)线性优异,最高可达0.05% F.S.
(3)两端球环轴承设计,轴承承托
(4)温度稳定性强
(5)安装方便,适用重负荷的工业级别使用。
产品说明:
(1)外 壳 铝合金,表面光亮拉丝处理
(2)拉 杆 不锈钢,可旋转 外螺纹
(3)轴 承 柔性缓冲轴承
(4)电阻元件 高精度导电塑料
(5)滑刷组件 一对多触脚合金滑刷,
(6)电气连接 C193 4针方形插头
产品应用:
(1)机械工业和汽车工业
(2)实验设备,执行机构,油缸配套
(3)水闸控制、机器人技术、液压机械等
二、LWE位移传感器产品型号
LWE-50,LWE-75,LWE-100
LWE-130,LWE-150,LWE-175
LWE-200,LWE-225,LWE-250
LWE-275,LWE-300,LWE-350
LWE-375,LWE-400,LWE-425
LWE-450,LWE-500,LWE-550
LWE-600,LWE-650,LWE-700
LWE-750,LWE-800
三、LWE位移传感器产品图片
四、LWE位移传感器产品技术参数
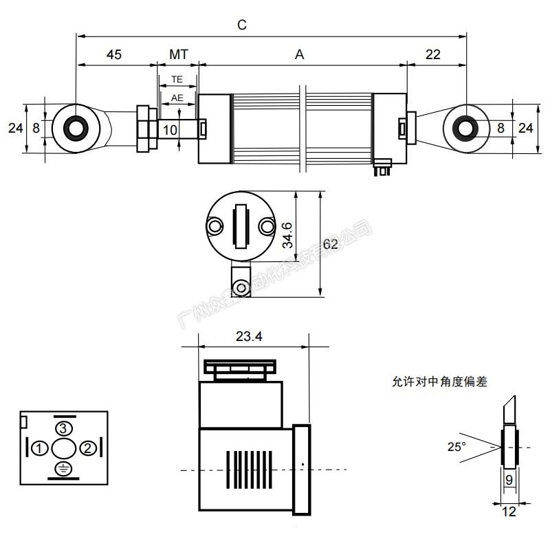
五、LWE位移传感器产品尺寸
产品推荐
DZM-X1卡轨式称重变送模块-美国中克塞尔品牌
详情
LCT6(03)重量变送器
详情
ZXM-P1高精度称重显示控制器-ZXMP1美国中克塞尔品牌称重仪表
详情
ZM02力值显示控制器-美国中克塞尔品牌称重仪表
详情
上一篇:【RDP_LCD传感器】LDC500C ~ LDC18500C_英国RDP位移传感器
下一篇:【LWF传感器】LWF-50~LWF-1420电子尺_德国volfa位移传感器
联系我们
销售工程师-陈小姐
销售工程师-谢小姐
销售工程师-黄先生
联系方式
销售热线:
陈小姐:18520271262
陈小姐:18688494254
黄先生:18688492451
黄先生:18520471262
上班时间:
周一到周六
9:00-
18:00
二维码
联
系
我
们