搜索
热门搜索: 美国中克塞尔美国世铨美国特迪亚美国传力德国HBM梅特勒托利多
产品中心

    IGP-3-P-6501-A502角度传感器 德国novotechnik角度位移传感器

    产品介绍
     
    一、IGP-3-P-6501-A502角度传感器 德国novotechnik角度传感器产品介绍
     
     
    产品品牌:德国novotechnik
     
    产品系列:IGP
     
    产品类型:角度传感器
     
    产品特点:
     
    (1)减速齿轮,减速比有 3:1,5:1,10:1
    (2)线性优异 0.1%(标准)
    (3)使用寿命长,100x106次运动
    (4)机械旋转
    (5)轴直径 10 mm,结构坚固
    (6)防护等级 IP67
     
    产品说明:
     
    (1)外 壳:铝,涂漆,特殊密封接头
    (2)轴:不锈钢
    (3)轴 承:不锈钢球轴承
    (4)减速齿轮:单级齿轮,公差小
    (5)电阻元件:导电塑料
    (6)滑刷组件:贵金属多触脚滑刷
    (7)安 装:任选位置
    (8)电气连接:7 针全金属圆形插头和插痤,自由旋转,90º直角,防护等级IP67,卡口连接
     
    产品介绍:
     
    该传感器通过导电塑料,最大可将 3800º 的角度旋转转换成相应比例电压信号输出。
     
    此加强型传感器特别适用于在恶劣的环境备件下测量角度或线性位移。此设备结构简单牢固,满足所有工业控制、制造业的应用。防水型压铸外壳,单级齿轮无机械误差耦合。载重轴承允许水平方向上具有较高负载。齿轮和链条等可以直接驱动轴转。
     
    接头 / 插座和连接等采取特殊密封设计。
     
     
     
    二、IGP-3-P-6501-A502角度传感器 德国novotechnik角度传感器相关型号
     
     
    IGP-3-P-6501-A502
    IGP-5-P6501-A502
    IGP-10-P-6501-A502
     
     
    三、IGP角度传感器 德国novotechnik角度传感器实拍图
     
     
    IGP角度传感器 德国novotechnik角度传感器实拍图

    IGP角度传感器 德国novotechnik角度传感器实拍图

    IGP角度传感器 德国novotechnik角度传感器实拍图

    IGP角度传感器 德国novotechnik角度传感器实拍图

     
     
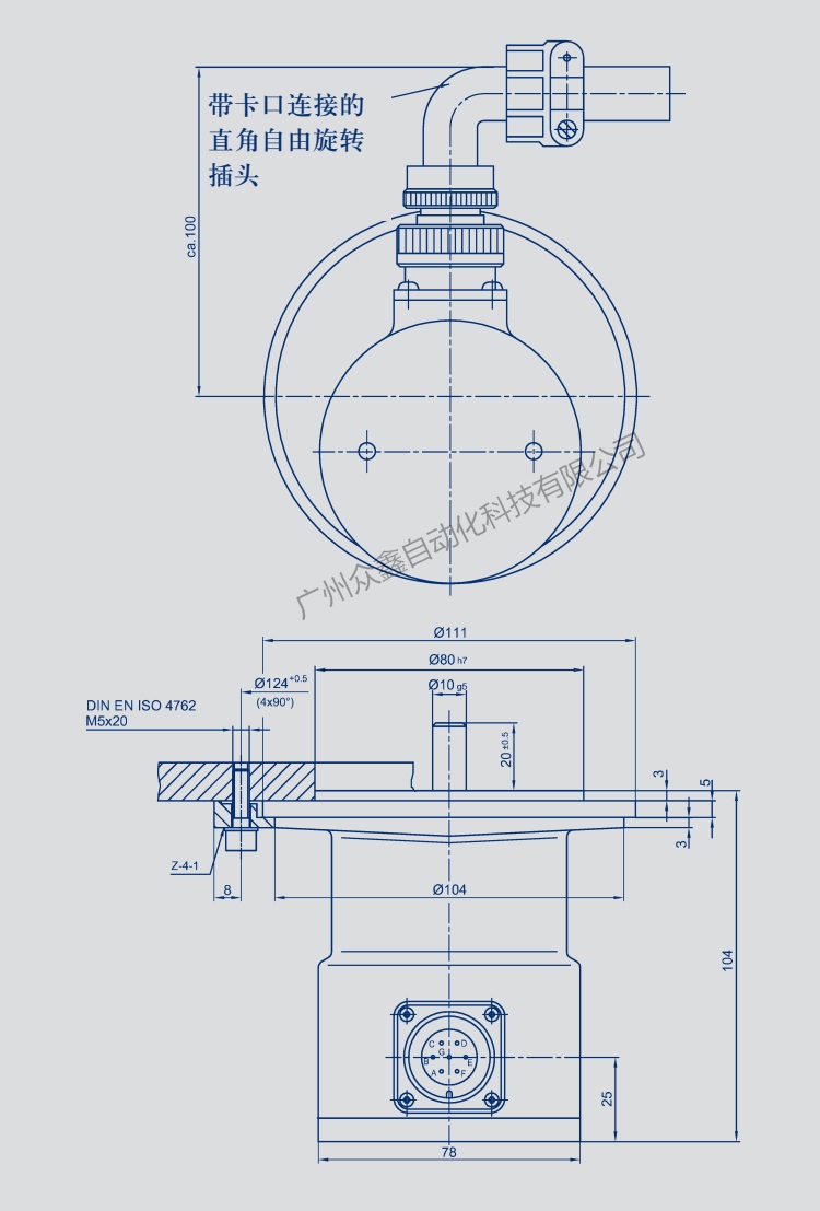
    四、IGP-3-P-6501-A502角度传感器 德国novotechnik角度传感器产品尺寸


     
    IGP-3-P-6501-A502角度传感器 德国novotechnik角度传感器产品尺寸


     
    五、IGP-3-P-6501-A502角度传感器 德国novotechnik角度传感器技术参数
     
     
    IGP-3-P-6501-A502角度传感器 德国novotechnik角度传感器技术参数
     




    香港金元宝免费资料重点推出以下品牌产品,确保全新原装正品,价优,欢迎新老客户咨询!
     
    ★ 德国HBM:称重传感器-- Z6F,C16A,RTN,HLCB1, PW2D, PW6D,PW2C,PW6K,PW6C,PW10A,PW12C,PW16A,PW22,S40A,C2等系列
    ★ 德国HBM:数字传感器-- C16I,FIT5AEB3,FIT7A
    ★ 德国HBM:扭矩/力传感器 -- T40B,T22,T5,U9C,C9C,S9M,U2B,S2M等系列
    ★ 德国HBM:称重仪表/变送器 -- WE2111,RM4220, BM40,AE101, AE301,EM201等系列
     
    ★ 美国世铨celtron:传感器 -- STC,HBB,LPS,LOC,PSD,LCD,MBB,SQB等系列
    ★ 特迪亚Tedea-huntleigh: --3410,616,355,1015,1040,1022,1260,120,1241,240等系列
    ★ 美国传力Transcell :传感器-- BSS,BSH,DBSL,SBST,CR,SBS,BAB等系列
     
    ★ 梅特勒托利多:称重传感器-- TSC,TSB,MTB,GD,SLB415,SLB215,MT1022,MT1260,MT1241,SB,SBS,SBH等系列
    ★ METTLER TOLEDO:数字传感器—GDD,SLC720,0760,PDX,SLC820等系列
    ★ 梅特勒托利多:控制仪表 -- IND331,IND245,IND320L,IND230,IND560,B520,IND110,WM0800,AJB等系列
     
    ※ 广州众鑫自动化服务宗旨:以诚信为本,用心服务理念;为客户提供完整的自动化控制解决方案。
    ※ 选择广州众鑫自动化理由:保证所售产品原装正品!货期快、效率高、货源正、价格优、值得信赖!
     

    产品推荐

    联系我们
    联系方式

    销售热线:

    陈小姐:18520271262

      陈小姐:18688494254

    黄先生:18688492451

      黄先生:18520471262

    上班时间:

    周一到周六9:00-18:00

    二维码
    扫一扫联系我们