搜索
热门搜索: 美国中克塞尔美国世铨美国特迪亚美国传力德国HBM梅特勒托利多
产品中心

    IP-6501-A502角度传感器 德国novotechnik角度位移传感器

    产品介绍
     
    一、IP-6501-A502角度传感器 德国novotechnik角度位移传感器产品介绍
     
     
    产品品牌:德国novotechnik
     
    产品系列:IP6000
     
    产品类型:角度传感器
     
    产品特点:
     
    (1)线性优异,±0.075%;可定制 ±0.025%
    (2)使用寿命长,100 x 106 次运动
    (3)重复性优于 0.007º
    (4)机械连续旋转
    (5)防护等级 IP65
     
    产品说明:
     
    (1)外 壳:阳极氧化铝,轴部密封
    (2)轴:不锈钢
    (3)轴 承:不锈钢球轴承
    (4)电阻元件:导电塑料
    (5)滑刷组件:贵金属多触脚滑刷
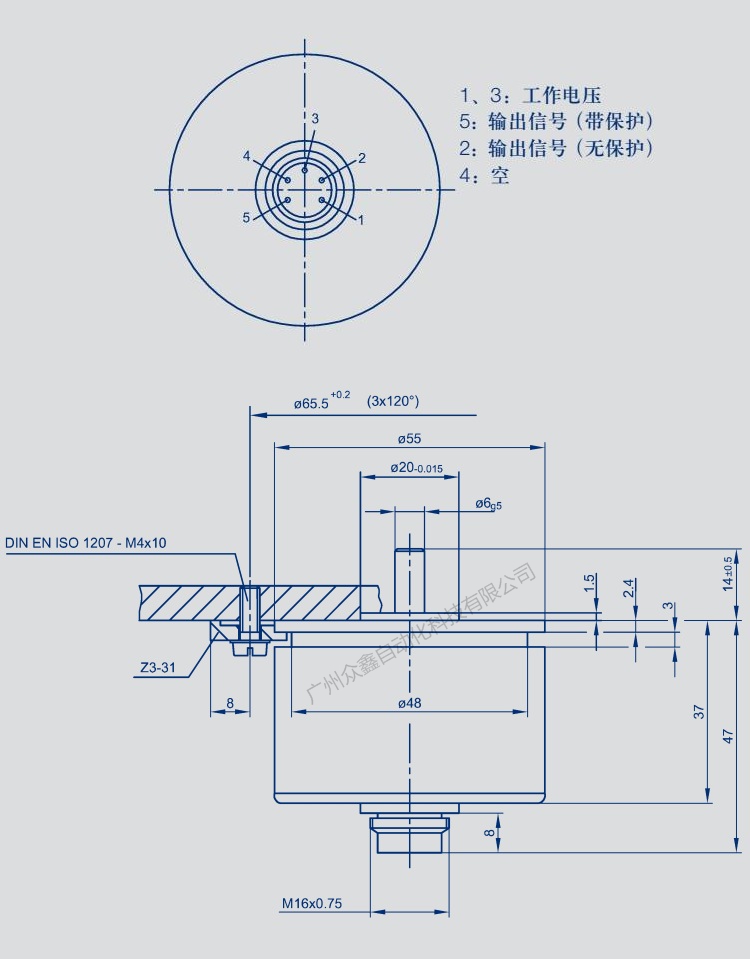
    (6)电气连接:5 针接头 ( 见辅件 )
     
    产品介绍:
     
    该工业级传感器特别适合于恶劣的工作环境下的各种应用。防水型压铸外壳,结构坚固。转动轴加密封,接头插座的防护等级为 IP65。此设备可靠性高,寿命长,线性优异,分辨率高,能高速运转,耐腐蚀,是传统角度位移传感器的翘楚。
     
    端子 5 作为输出信号,可有效避免接线时如果滑刷与工作电压短接引起的产品损坏,起到保护作用。
     
    厂家可提供特殊量程和轴尺寸等特殊规格传感器定制。
     
     
     
    二、IP-6501-A502角度传感器 德国novotechnik角度传感器相关型号
     
     
    IP-6501-A502
    IP-6501-G252(≤ 90º±2º,独立线性±0.3%,R = 2.5 kΩ±20%)
     

     
    三、IP-6501角度传感器 德国novotechnik角度位移传感器实拍图


    IP-6501角度传感器 德国novotechnik角度位移传感器实拍图

    IP-6501角度传感器 德国novotechnik角度位移传感器实拍图

    IP-6501角度传感器 德国novotechnik角度位移传感器实拍图

    IP-6501角度传感器 德国novotechnik角度位移传感器实拍图
     


     
    四、IP-6501-A502角度传感器 德国novotechnik角度传感器产品尺寸

     

    IP-6501-A502角度传感器 德国novotechnik角度传感器产品尺寸


     
    五、IP-6501-A502角度传感器 德国novotechnik角度传感器技术参数
     

    IP-6501-A502角度传感器 德国novotechnik角度传感器技术参数


    香港金元宝免费资料重点推出以下品牌产品,确保全新原装正品,价优,欢迎新老客户咨询!
     
    ★ 德国HBM:称重传感器-- Z6F,C16A,RTN,HLCB1, PW2D, PW6D,PW2C,PW6K,PW6C,PW10A,PW12C,PW16A,PW22,S40A,C2等系列
    ★ 德国HBM:数字传感器-- C16I,FIT5AEB3,FIT7A
    ★ 德国HBM:扭矩/力传感器 -- T40B,T22,T5,U9C,C9C,S9M,U2B,S2M等系列
    ★ 德国HBM:称重仪表/变送器 -- WE2111,RM4220, BM40,AE101, AE301,EM201等系列
     
    ★ 美国世铨celtron:传感器 -- STC,HBB,LPS,LOC,PSD,LCD,MBB,SQB等系列
    ★ 特迪亚Tedea-huntleigh: --3410,616,355,1015,1040,1022,1260,120,1241,240等系列
    ★ 美国传力Transcell :传感器-- BSS,BSH,DBSL,SBST,CR,SBS,BAB等系列
     
    ★ 梅特勒托利多:称重传感器-- TSC,TSB,MTB,GD,SLB415,SLB215,MT1022,MT1260,MT1241,SB,SBS,SBH等系列
    ★ METTLER TOLEDO:数字传感器—GDD,SLC720,0760,PDX,SLC820等系列
    ★ 梅特勒托利多:控制仪表 -- IND331,IND245,IND320L,IND230,IND560,B520,IND110,WM0800,AJB等系列
     
    ※ 广州众鑫自动化服务宗旨:以诚信为本,用心服务理念;为客户提供完整的自动化控制解决方案。
    ※ 选择广州众鑫自动化理由:保证所售产品原装正品!货期快、效率高、货源正、价格优、值得信赖!
     

    产品推荐

    联系我们
    联系方式

    销售热线:

    陈小姐:18520271262

      陈小姐:18688494254

    黄先生:18688492451

      黄先生:18520471262

    上班时间:

    周一到周六9:00-18:00

    二维码
    扫一扫联系我们