搜索
热门搜索: 美国中克塞尔美国世铨美国特迪亚美国传力德国HBM梅特勒托利多
产品中心
    当前位置: 首页  > 产品中心  > 压力传感器

    26.600G德国BD压力变送器_26.600G压力传感器

    产品介绍
         【香港金元宝免费资料】专业供应26.600G系列德国BD压力变送器,( 26.600G德国BD压力变送器)保证货期快捷,100%原装进口,努力打造中国传感器销售第一品牌商。
     
    26.600G系列德国BD压力变送器特点参数

    产品品牌:德国BD
    产品型号:26.600G
    OEM 压力变送器
    标准型
    典型应用
    ► 机械设备制造
    ► 各种工业应用
    产品特点
    ► 陶瓷传感器
    ► 精度: 0.25 % FSO BFSL
    (0.5% FSO IEC 60770)
    ► 额定量程:从 0 … 1 bar 至 0 … 400 bar
    ► 可选:无油脂型,适合氧气环境应用
     
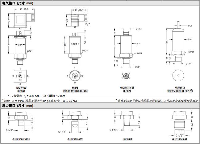
    26.600G系列德国BD压力变送器外观尺寸

    香港金元宝免费资料

    26.600G系列德国BD压力变送器指标

    香港金元宝免费资料

    26.600G系列德国BD压力变送器完整型号

    26.600G-1001-R-1-5-100-300-1-000  26.600G-1601-R-1-5-100-300-1-000
    26.600G-2501-R-1-5-100-300-1-000  26.600G-4001-R-1-5-100-300-1-000
    26.600G-6002-R-1-5-100-300-1-000  26.600G-1003-R-1-5-100-300-1-000
    26.600G-1603-R-1-5-100-300-1-000  26.600G-2503-R-1-5-100-300-1-000
    26.600G-4003-R-1-5-100-300-1-000  26.600G-X102-R-1-5-100-300-1-000
    26.600G-9999-R-1-5-100-300-1-000
     
    26.600G-1001-A-1-5-100-300-1-000  26.600G-1601-A-1-5-100-300-1-000
    26.600G-2501-A-1-5-100-300-1-000  26.600G-4001-A-1-5-100-300-1-000
    26.600G-6002-A-1-5-100-300-1-000  26.600G-1003-A-1-5-100-300-1-000
    26.600G-1603-A-1-5-100-300-1-000  26.600G-2503-A-1-5-100-300-1-000
    26.600G-4003-A-1-5-100-300-1-000  26.600G-X102-A-1-5-100-300-1-000
    26.600G-9999-A-1-5-100-300-1-000
     
    26.600G-1001-R-3-5-100-300-1-000  26.600G-1601-R-3-5-100-300-1-000
    26.600G-2501-R-3-5-100-300-1-000  26.600G-4001-R-3-5-100-300-1-000
    26.600G-6002-R-3-5-100-300-1-000  26.600G-1003-R-3-5-100-300-1-000
    26.600G-1603-R-3-5-100-300-1-000  26.600G-2503-R-3-5-100-300-1-000
    26.600G-4003-R-3-5-100-300-1-000  26.600G-X102-R-3-5-100-300-1-000
    26.600G-9999-R-3-5-100-300-1-000
     
    26.600G-1001-A-3-5-100-300-1-000  26.600G-1601-A-3-5-100-300-1-000
    26.600G-2501-A-3-5-100-300-1-000  26.600G-4001-A-3-5-100-300-1-000
    26.600G-6002-A-3-5-100-300-1-000  26.600G-1003-A-3-5-100-300-1-000
    26.600G-1603-A-3-5-100-300-1-000  26.600G-2503-A-3-5-100-300-1-000
    26.600G-4003-A-3-5-100-300-1-000  26.600G-X102-A-3-5-100-300-1-000
    26.600G-9999-A-3-5-100-300-1-000
     
    26.600G-1001-R-R-5-100-300-1-000  26.600G-1601-R-R-5-100-300-1-000
    26.600G-2501-R-R-5-100-300-1-000  26.600G-4001-R-R-5-100-300-1-000
    26.600G-6002-R-R-5-100-300-1-000  26.600G-1003-R-R-5-100-300-1-000
    26.600G-1603-R-R-5-100-300-1-000  26.600G-2503-R-R-5-100-300-1-000
    26.600G-4003-R-R-5-100-300-1-000  26.600G-X102-R-R-5-100-300-1-000
    26.600G-9999-R-R-5-100-300-1-000
     
    26.600G-1001-A-R-5-100-300-1-000  26.600G-1601-A-R-5-100-300-1-000
    26.600G-2501-A-R-5-100-300-1-000  26.600G-4001-A-R-5-100-300-1-000
    26.600G-6002-A-R-5-100-300-1-000  26.600G-1003-A-R-5-100-300-1-000
    26.600G-1603-A-R-5-100-300-1-000  26.600G-2503-A-R-5-100-300-1-000
    26.600G-4003-A-R-5-100-300-1-000  26.600G-X102-A-R-5-100-300-1-000
    26.600G-9999-A-R-5-100-300-1-000
     
    26.600G-1001-R-9-5-100-300-1-000  26.600G-1601-R-9-5-100-300-1-000
    26.600G-2501-R-9-5-100-300-1-000  26.600G-4001-R-9-5-100-300-1-000
    26.600G-6002-R-9-5-100-300-1-000  26.600G-1003-R-9-5-100-300-1-000
    26.600G-1603-R-9-5-100-300-1-000  26.600G-2503-R-9-5-100-300-1-000
    26.600G-4003-R-9-5-100-300-1-000  26.600G-X102-R-9-5-100-300-1-000
    26.600G-9999-R-9-5-100-300-1-000
     
    26.600G-1001-A-9-5-100-300-1-000  26.600G-1601-A-9-5-100-300-1-000
    26.600G-2501-A-9-5-100-300-1-000  26.600G-4001-A-9-5-100-300-1-000
    26.600G-6002-A-9-5-100-300-1-000  26.600G-1003-A-9-5-100-300-1-000
    26.600G-1603-A-9-5-100-300-1-000  26.600G-2503-A-9-5-100-300-1-000
    26.600G-4003-A-9-5-100-300-1-000  26.600G-X102-A-9-5-100-300-1-000
    26.600G-9999-A-9-5-100-300-1-000

           以上是26.600G德国BD压力变送器_26.600G压力传感器详细信息,如果您对26.600G德国BD压力变送器_26.600G压力传感器的价格、货期、型号、库存有什么疑问,欢迎拨打18520271262 获取26.600G德国BD压力变送器_26.600G压力传感器的最新价格详情。
    产品推荐

    联系我们
    联系方式

    销售热线:

    陈小姐:18520271262

      陈小姐:18688494254

    黄先生:18688492451

      黄先生:18520471262

    上班时间:

    周一到周六9:00-18:00

    二维码
    扫一扫联系我们