搜索
热门搜索: 美国中克塞尔美国世铨美国特迪亚美国传力德国HBM梅特勒托利多
产品中心

    【SBD桥式传感器】SBD-10T~SBD-50T_Mettler Toledo梅特勒托利多称重传感器

    产品介绍
                                                                                                                                                                     

             【香港金元宝免费资料】专业供应瑞士Mettler-Toledo梅特勒-托利多SBD系列称重传感器,【SBD桥式传感器】SBD-10T~SBD-50T_Mettler Toledo梅特勒托利多称重传感器保证货期快捷,100%原装正品,努力打造中国传感器销售第一品牌商。瑞士Mettler-Toledo梅特勒-托利多SBD系列称重传感器相关型号:SBD-10t,SBD-20t,SBD-25t,SBD30t,SBD-50t.
     
    Mettler-Toledo梅特勒-托利多SBD系列产品简介

    英文名称:瑞士METTLER TOLEDO称重传感器
    中文名称:瑞士梅特勒托利多称重传感器
    产品特点:
    双剪切梁式称重传感器
    受力方式:压式
    输出信号:mv信号,
    优质合金钢材质,表面镀镍
    综合精度高,稳定性强
    兼容性好,安装简单、快速
    防护等级为IP67
    量程可选:10T,20T,25T,30T,50T
    应用:地磅、汽车衡、轨道衡等

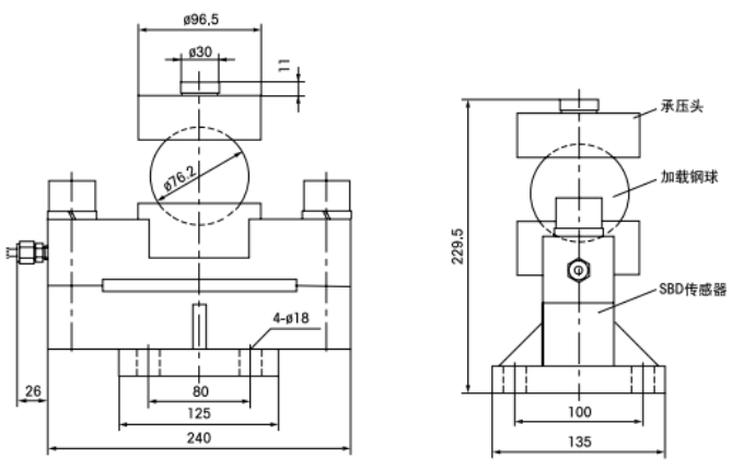
    Mettler-Toledo梅特勒-托利多SBD系列安装尺寸

    香港金元宝免费资料
     
    Mettler-Toledo梅特勒-托利多SBD系列技术指标

    香港金元宝免费资料 

    Mettler-Toledo梅特勒-托利多SBD系列产品说明

    SBD-10t  型号说明:双剪切梁式传感器,容量10t,13M电缆
    SBD-20t  型号说明:双剪切梁式传感器,容量20t,13M电缆
    SBD-25t  型号说明:双剪切梁式传感器,容量25t,13M电缆
    SBD-30t  型号说明:双剪切梁式传感器,容量30t,13M电缆
    SBD-40t  型号说明:双剪切梁式传感器,容量40t,13M电缆

    拓展阅读

    品牌介绍
    梅特勒-托利多(METTLER TOLEDO),作为全球领先的精密仪器及衡器制造商,在百年悠久发展历程中一直保持着技术和市场的领先性。如今,梅特勒-托利多提供的解决方案遍布实验室、工业及零售业(商业)的各个流程与环节,从高精度的微量分析到千吨以上的称重应用,梅特勒-托利多统一的团队、全球的服务网、完美的解决方案帮助全球用户增进效率、创造价值,轻松应对各种挑战。
     
    桥式称重传感器概述
    采用桥式称重传感器的长承载器衡器,在使用过程中其球状压头随着承载器长度变化,压头也在弹性体的球窝内沿长度方向滚动,使作用力加载方向偏移,从而产生偏载。虽然此类称重传感器的抗偏载性能比较好,但是位移量较大时也会影响一定的计量性能。
     
            以上是【SBD桥式传感器】SBD-10T~SBD-50T_Mettler Toledo梅特勒托利多称重传感器详细信息,如果您对【SBD桥式传感器】SBD-10T~SBD-50T_Mettler Toledo梅特勒托利多称重传感器的价格、货期、型号、库存有什么疑问,欢迎拨打18520271262陈工获取【SBD桥式传感器】SBD-10T~SBD-50T_Mettler Toledo梅特勒托利多称重传感器的最新价格详情。
    产品推荐

    联系我们
    联系方式

    销售热线:

    陈小姐:18520271262

      陈小姐:18688494254

    黄先生:18688492451

      黄先生:18520471262

    上班时间:

    周一到周六9:00-18:00

    二维码
    扫一扫联系我们