搜索
热门搜索: 美国中克塞尔美国世铨美国特迪亚美国传力德国HBM梅特勒托利多
产品中心

    CHE-KM-30T传感器,韩国CAS凯士 CHE-KM-30tf 称重传感器

    产品介绍

    一、韩国凯士CAS品牌 CHE-KM-30T称重传感器产品介绍

    产品品牌:韩国凯士CAS
    产品系列:CHE-KM
    产品类型:轮辐式称重传感器
    产品经销商:香港金元宝免费资料
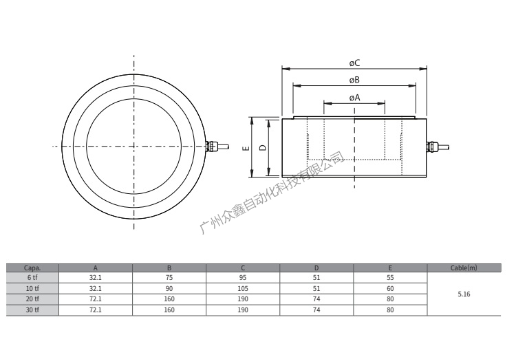
    产品量程:6tf,10tf,20tf,30tf
    产品介绍:CHE-KM是一款铝制中间带孔的轮辐式传感器, 压缩式的设计使其能适用于多种压缩测试和内部压缩测试。
    产品特点:
    (1)压缩应用
    (2)镂空型
    (3)按照IP66等级设计
    应用范围:
    压力测试机

    二、韩国凯士CAS品牌 CHE-KM称重传感器全部型号

    CHE-KM-6T
    CHE-KM-10T
    CHE-KM-20T
    CHE-KM-30T

    三、韩国凯士CAS品牌 CHE-KM称重传感器图片

    四、韩国凯士CAS品牌 CHE-KM-30T称重传感器产品尺寸

    五、韩国凯士CAS品牌 CHE-KM-30T称重传感器技术参数


    产品推荐

    联系我们
    联系方式

    销售热线:

    陈小姐:18520271262

      陈小姐:18688494254

    黄先生:18688492451

      黄先生:18520471262

    上班时间:

    周一到周六9:00-18:00

    二维码
    扫一扫联系我们