一、韩国凯士CAS品牌 DSB-20称重传感器产品介绍
产品品牌:韩国凯士CAS
产品系列:DSB-20
产品类型:双剪切梁式称重传感器
产品经销商:香港金元宝免费资料
产品量程:20tf
产品介绍:DSB-20是一款双剪切梁式传感器, 可以控制位于传感器两端的漏斗和料罐的移动。同时, 在大量程的称重系统的高性能表现, 使其能适用于漏斗秤和罐装秤。
产品特点:
(1)摇杆销加载设计
(2)汽车衡配件
(3)按照IP66等级设计
产品选配:
配件套装
应用范围:
罐装秤, 漏斗秤
二、韩国凯士CAS品牌 DSB-20称重传感器图片

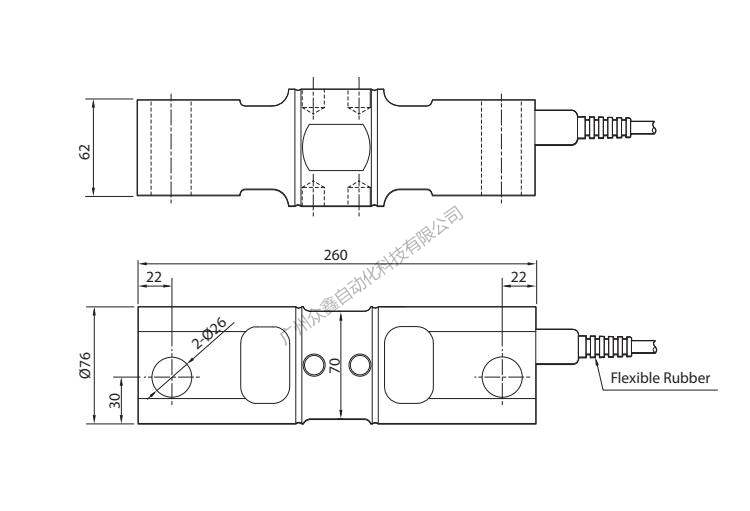
三、韩国凯士CAS品牌 DSB-20称重传感器产品尺寸

四、韩国凯士CAS品牌 DSB-20称重传感器技术参数
