【
香港金元宝免费资料】专业供应ILEC系列柯力单点式称重传感器,【ILEC传感器】ILEC-200kg~ILEC-1t_
宁波柯力称重传感器,保证货期快捷,100%原装正品,10年行业经验专注高端高质传感器服务,提供自动化完整解决方案。ILEC系列柯力单点式称重传感器相关型号:ILEC-200kg,ILEC-300kg,ILEC-500kg,ILEC-800kg,ILEC-1t; ILEC-A-200kg,ILEC-A-300kg,ILEC-A-500kg,ILEC-A-800kg,ILEC-A-1t,ILEC-ASS-200kg,ILEC-ASS-300kg,ILEC-ASS-500kg,ILEC-ASS-800kg,ILEC-ASS-1t.
ILEC系列称重传感器产品介绍
产品品牌:宁波柯力
产品名称:
称重传感器
产品特性:
单点式称重传感器
★. 抗偏载能力强
★.全焊接密封,防护等级高
★. ILEC功能:高温、低温、防尘、防潮。
★. ILEC-A系列适用于平台秤、包装秤等。
★.量程可选:200kg,300kg,500kg,800kg,1t
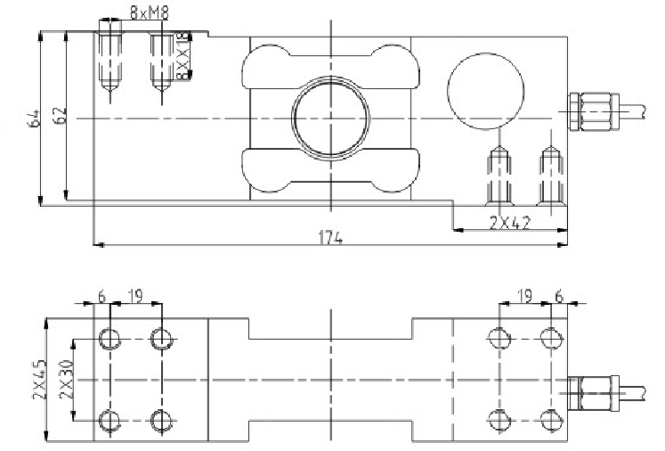
ILEC系列称重传感器外观尺寸

ILEC技术参数
ILEC系列称重传感器完整型号
柯力ILEC-200kg称重传感器,ILEC-A 200kg称重传感器,ILEC-ASS 200kg称重传感器
柯力ILEC-300kg称重传感器,ILEC-A 300kg称重传感器,ILEC-ASS 300kg称重传感器
柯力ILEC-500kg称重传感器,ILEC-A 500kg称重传感器,ILEC-ASS 500kg称重传感器
柯力ILEC-800kg称重传感器,ILEC-A 800kg称重传感器,ILEC-ASS 800kg称重传感器
柯力ILEC-1t称重传感器 ,ILEC-A 1t称重传感器, ILEC-ASS 1t称重传感器
延伸阅读
品牌介绍
宁波柯力传感科技股份有限公司,创建于2002年,是目前全球最大钢制传感器生产企业,也是国内称重元件销售量最大企业 ,总部坐落于宁波江北投资创业园区,占地100多亩,现已成为集设计研发、制造、销售于一体的国家级重点高新技术企业。
宁波柯力传感科技股份有限公司,创建于2002年,是目前全球最大钢制传感器生产企业,也是国内称重元件销售量最大企业 ,总部坐落于宁波江北投资创业园区,占地100多亩,现已成为集设计研发、制造、销售于一体的国家级重点高新技术企业。公司现有安徽柯力电气制造有限公司一家全资子公司,余姚太平洋称重工程有限公司、余姚宏业称重技术有限公司两家控股子公司和沈阳龙腾电子有限公司、余姚市银环流量仪表有限公司两家参股子公司。公司先后获得中国衡器协会副理事长单位、中国《工业计量》协会副理事长单位,2010年度全国轻工业卓越绩效先进企业,浙江省名牌产品,宁波“市级工程技术中心”,中国轻工业衡器行业十强企业第二名,宁波市百家战略性新兴产业企业之一,2011年宁波市江北区三十强企业第一名和工业企业纳税第一名,宁波市江北区区长质量奖等荣誉称号。
单点式传感器注意事项
传感器在使用中尽量远离较高的热源。
设计载入装置及安装时,应保证使用载入力的作用线与传感器的受力轴线重合,使倾斜负载与偏心负载的影响减至最小。
为了防止化学腐蚀,安装时宜用凡土士林涂传感器外表面。
传感器外壳,保护盖板、引线接头、均经密封处理,用户不得擅自打开封装或强拉引线,如发现有故障问题,应送生产厂家检修。
以上【ILEC传感器】ILEC-200kg~ILEC-1t_宁波柯力称重传感器详细信息,如果您对【ILEC传感器】ILEC-200kg~ILEC-1t_宁波柯力称重传感器的价格、货期、型号、库存有什么疑问,欢迎拨打
18520271262陈工 获取【ILEC传感器】ILEC-200kg~ILEC-1t_宁波柯力称重传感器最新价格详情。