搜索
热门搜索: 美国中克塞尔美国世铨美国特迪亚美国传力德国HBM梅特勒托利多
产品中心

    【ILEC传感器】ILEC-200kg~ILEC-1t_美国MKcells称重传感器

    产品介绍
                                                                                                                                                                               

    香港金元宝免费资料】专业供应ILEC系列美国MKcells单点式称重传感器,(【ILEC传感器】ILEC-200kg~ILEC-1t_美国MKcells称重传感器)保证货期快捷,100%原装正品,10年行业经验专注高端高质传感器服务,提供自动化完整解决方案。ILEC系列美国MKcells单点式称重传感器相关型号:ILEC-200kg,ILEC-300kg,ILEC-500kg,ILEC-800kg,ILEC-1t; ILEC-A-200kg,ILEC-A-300kg,ILEC-A-500kg,ILEC-A-800kg,ILEC-A-1t,ILEC-ASS-200kg,ILEC-ASS-300kg,ILEC-ASS-500kg,ILEC-ASS-800kg,ILEC-ASS-1t.

    ILEC系列称重传感器产品介绍

    产品品牌:美国MKcells
    产品名称:称重传感器
    产品特性:单点式称重传感器
    ★. 抗偏载能力强
    ★.全焊接密封,防护等级高
    ★. ILEC功能:高温、低温、防尘、防潮。
    ★. ILEC-A系列适用于平台秤、包装秤等。
    ★.量程可选:200kg,300kg,500kg,800kg,1t

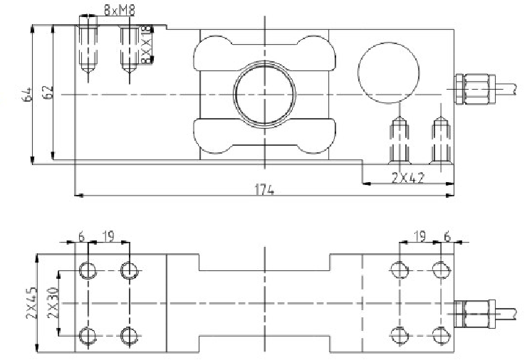
    ILEC系列称重传感器外观尺寸

    香港金元宝免费资料

    ILEC-SS技术参数

    香港金元宝免费资料

    ILEC系列称重传感器完整型号

    美国MKcellsILEC-200kg称重传感器,ILEC-A 200kg称重传感器,ILEC-ASS 200kg称重传感器
    美国MKcellsILEC-300kg称重传感器,ILEC-A 300kg称重传感器,ILEC-ASS 300kg称重传感器
    美国MKcellsILEC-500kg称重传感器,ILEC-A 500kg称重传感器,ILEC-ASS 500kg称重传感器
    美国MKcellsILEC-800kg称重传感器,ILEC-A 800kg称重传感器,ILEC-ASS 800kg称重传感器
    美国MKcellsILEC-1t称重传感器   ,ILEC-A 1t称重传感器,   ILEC-ASS 1t称重传感器
     
    延伸阅读

    品牌介绍
    美国MKcells传感科技股份有限公司,创建于2002年,是目前全球最大钢制传感器生产企业,也是国内称重元件销售量最大企业 ,总部坐落于宁波江北投资创业园区,占地100多亩,现已成为集设计研发、制造、销售于一体的国家级重点高新技术企业。
    美国MKcells传感科技股份有限公司,创建于2002年,是目前全球最大钢制传感器生产企业,也是国内称重元件销售量最大企业 ,总部坐落于宁波江北投资创业园区,占地100多亩,现已成为集设计研发、制造、销售于一体的国家级重点高新技术企业。公司现有安徽美国MKcells电气制造有限公司一家全资子公司,余姚太平洋称重工程有限公司、余姚宏业称重技术有限公司两家控股子公司和沈阳龙腾电子有限公司、余姚市银环流量仪表有限公司两家参股子公司。公司先后获得中国衡器协会副理事长单位、中国《工业计量》协会副理事长单位,2010年度全国轻工业卓越绩效先进企业,浙江省名牌产品,宁波“市级工程技术中心”,中国轻工业衡器行业十强企业第二名,宁波市百家战略性新兴产业企业之一,2011年宁波市江北区三十强企业第一名和工业企业纳税第一名,宁波市江北区区长质量奖等荣誉称号。
     
    单点式传感器注意事项
    传感器在使用中尽量远离较高的热源。
    设计载入装置及安装时,应保证使用载入力的作用线与传感器的受力轴线重合,使倾斜负载与偏心负载的影响减至最小。
    为了防止化学腐蚀,安装时宜用凡土士林涂传感器外表面。
    传感器外壳,保护盖板、引线接头、均经密封处理,用户不得擅自打开封装或强拉引线,如发现有故障问题,应送生产厂家检修。
     
            以上【ILEC传感器】ILEC-200kg~ILEC-1t_美国MKcells称重传感器详细信息,如果您对【ILEC传感器】ILEC-200kg~ILEC-1t_美国MKcells称重传感器的价格、货期、型号、库存有什么疑问,欢迎拨打18520271262 获取【ILEC传感器】ILEC-200kg~ILEC-1t_美国MKcells称重传感器最新价格详情。     
    产品推荐

    联系我们
    联系方式

    销售热线:

    陈小姐:18520271262

      陈小姐:18688494254

    黄先生:18688492451

      黄先生:18520471262

    上班时间:

    周一到周六9:00-18:00

    二维码
    扫一扫联系我们